Polaris
Browse New Models
Shop In-Stock
Suzuki
Browse New Models
Shop In-Stock
Search Inventory
Exit Search
Search Inventory
7202 Lee Hwy
|
Radford, VA
24141
Toggle navigation
Home
Brands
Inventory
All Inventory In Stock
New Inventory In Stock
Polaris Off-Road Vehicles
New Polaris
New Suzuki
Used Inventory
Manufacturer Models
OEM Promotions
Value Your Trade-In
Request a Model
Secure Financing
Parts
Parts Department
Parts Finder
Shopping Cart
Service
Request Polaris Service
Service Department
Warranty & Recall Look-Up
Financing
About
Our Dealership
Employment
Reviews
Customer Survey
Newsletter Sign-Up
Events Calendar
Location & Hours
Contact
540-633-0004
Fiche | Parts Diagrams
2009 Polaris ATVs
Home
›
Parts
›
Parts Finder
Search by :
Part / Desc
VIN
Please Select
Polaris
Suzuki
*Please enter at least 3 characters
SEARCH
Manufacturer
Polaris
ATVs
2009
SPORTSMAN 400 HO 4X4 (A09LH46AQ/AX/AZ)
VIEW WISH LIST
Select a Section
Show/Hide
BODY, CLUTCH COVER - A09LH46AQ/AX/AZ (49ATVCLUTCHCVR08SP400)
BODY, DECALS - A09LH46AQ/AX/AZ (49ATVDECAL09SP400)
BODY, FRONT BUMPER and MOUNTING - A09LH46AQ/AX/AZ (49ATVBUMPER08SP400)
BODY, FRONT CAB and FRONT BOX COVER - A09LH46AQ/AX/AZ (49ATVCAB08SP300)
BODY, FUEL TANK - A09LH46AQ/AX/AZ (49ATVFUEL09SP400)
BODY, MUD GUARDS - A09LH46AQ/AX/AZ (49ATVMUDGUARD08SP400)
BODY, REAR CAB and SEAT - A09LH46AQ/AX/AZ (49ATVCABRR09SP400)
BODY, REAR CAB FOIL - A09LH46AQ/AX/AZ (49ATVCABFOIL08SP400)
BODY, REAR RACK ASM. - A09LH46AQ/AX/AZ (49ATVRACKMTG08SP300)
BRAKES, BRAKE CALIPER MOUNTING - A09LH46AQ/AX/AZ (49ATVCALIPERMTG08SP400)
BRAKES, BRAKE LINES - A09LH46AQ/AX/AZ (49ATVBRAKELINE08SP300)
BRAKES, BRAKE PEDAL and REAR MASTER CYLINDER - A09LH46AQ/AX/AZ (49ATVBRAKEFOOT08SP400)
BRAKES, FRONT and REAR CALIPERS - A09LH46AQ/AX/AZ (49ATVCALIPER08SP400)
BRAKES, FRONT BRAKE LEVER and MASTER CYLINDER - A09LH46AQ/AX/AZ (4999202079920207A14)
CHASSIS, FRAME - A09LH46AQ/AX/AZ (49ATVFRAME09SP400)
DRIVE TRAIN, FRONT DRIVE SHAFT - A09LH46AQ/AX/AZ (49ATVSHAFTDRIVE08SP300)
DRIVE TRAIN, FRONT GEARCASE - A09LH46AQ/AX/AZ (49ATVGEARCASE08SP3)
DRIVE TRAIN, FRONT GEARCASE MOUNTING - A09LH46AQ/AX/AZ (49ATVGEARCASEMTG08SP3)
DRIVE TRAIN, FRONT PROP SHAFT - A09LH46AQ/AX/AZ (49ATVSHAFTPROP09SP300)
DRIVE TRAIN, GEAR SELECTOR - A09LH46AQ/AX/AZ (49ATVGEARSELECT08SP400)
DRIVE TRAIN, MAIN GEARCASE - A09LH46AQ/AX/AZ (49ATVTRANSCVR08SP300)
DRIVE TRAIN, MAIN GEARCASE INTERNALS - A09LH46AQ/AX/AZ (49ATVTRANSINTL08SP300)
DRIVE TRAIN, MAIN GEARCASE MOUNTING - A09LH46AQ/AX/AZ (49ATVGEARCASEMTG08SP4)
DRIVE TRAIN, PRIMARY CLUTCH - A09LH46AQ/AX/AZ (49ATVPRIMARY08SP300)
DRIVE TRAIN, REAR DRIVE SHAFT - A09LH46AQ/AX/AZ (49ATVSHAFTDRIVERR08SP300)
DRIVE TRAIN, SECONDARY CLUTCH - A09LH46AQ/AX/AZ (49ATVCLUTCHDRIVEN08SP300)
ELECTRICAL, BATTERY - A09LH46AQ/AX/AZ (49ATVBATTERY09SP400)
ELECTRICAL, BULBS - A09LH46AQ/AX/AZ (49ATVBULBS09SP300)
ELECTRICAL, GAUGES and INDICATORS - A09LH46AQ/AX/AZ (49ATVGAUGES08SP300)
ELECTRICAL, HARNESSES - A09LH46AQ/AX/AZ (49ATVHARNESS09SP400)
ELECTRICAL, HEADLIGHTS - A09LH46AQ/AX/AZ (49ATVHEADLTASM08SP300)
ELECTRICAL, IGNITION SYSTEM - A09LH46AQ/AX/AZ (49ATVMAGNETO08SP400)
ELECTRICAL, SWITCHES, SENSORS and ECM - A09LH46AQ/AX/AZ (49ATVSWITCHES08SP400)
ELECTRICAL, TAILLIGHTS - A09LH46AQ/AX/AZ (49ATVTAILLAMPS09SP300)
ENGINE, AIR INTAKE SYSTEM - A09LH46AQ/AX/AZ (49ATVAIRBOX08SP400)
ENGINE, CARBURETOR LOWER - A09LH46AQ/AX/AZ (49ATVCARB08SP400)
ENGINE, CARBURETOR UPPER - A09LH46AQ/AX/AZ (49ATVCARBUPPER08SP400)
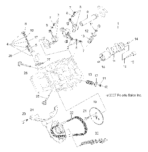
ENGINE, CLUTCH - A09LH46AQ/AX/AZ (49ATVCLUTCH08SP400)
ENGINE, COOLING SYSTEM - A09LH46AQ/AX/AZ (49ATVCOOL09SP400)
ENGINE, CRANKCASE - A09LH46AQ/AX/AZ (49ATVCRANKCASE09SP400)
ENGINE, CRANKSHAFT and PISTON - A09LH46AQ/AX/AZ (49ATVCRANKSHAFT08SP400)
ENGINE, CYLINDER and HEAD - A09LH46AQ/AX/AZ (49ATVCYLINDER08SP400)
ENGINE, EXHAUST - A09LH46AQ/AX/AZ (49ATVEXHAUST08SP400)
ENGINE, FLYWHEEL COVER - A09LH46AQ/AX/AZ (4999202119920211D14)
ENGINE, FUEL PUMP - A09LH46AQ/AX/AZ (4999200059920005D11)
ENGINE, MOUNTING - A09LH46AQ/AX/AZ (49ATVENGINEMTG10SP400)
ENGINE, OIL FILTER - A09LH46AQ/AX/AZ (49ATVOILFILTER08SP400)
ENGINE, OIL PUMP - A09LH46AQ/AX/AZ (49ATVOILPUMP08SP400)
ENGINE, OIL SYSTEM - A09LH46AQ/AX/AZ (49ATVOIL08SP400)
ENGINE, SHORT BLOCK - A09LH46AQ/AX/AZ (49ATVENGINE08SP500)
ENGINE, STARTING SYSTEM - A09LH46AQ/AX/AZ (49ATVSTARTER09SP400)
ENGINE, VALVES and CAMSHAFT - A09LH46AQ/AX/AZ (49ATVVALVE08SP400)
ENGINE, WATER PUMP - A09LH46AQ/AX/AZ (49ATVWATERPUMP08SP400)
REFERENCE, MANUALS and INFORMATION - A09LH46AQ/AX/AZ (49ATVREFERENCE08SP300)
STEERING, CONTROLS and THROTTLE - A09LH46AQ/AX/AZ (49ATVCONTROLS08SP300)
STEERING, HANDLEBAR and CONTROLS - A09LH46AQ/AX/AZ (49ATVHANDLEBAR09SP400)
STEERING, STEERING POST ASM. - A09LH46AQ/AX/AZ (49ATVSTEERING08SP300)
SUSPENSION, A-ARM and STRUT MOUNTING - A09LH46AQ/AX/AZ (49ATVAARM09SP400)
SUSPENSION, FRONT STRUT - A09LH46AQ/AX/AZ (49ATVSTRUT08SP300)
SUSPENSION, REAR - A09LH46AQ/AX/AZ (49ATVSUSPRR08SP400)
SUSPENSION, REAR SHOCKS - A09LH46AQ/AX/AZ (4999202079920207C06)
SUSPENSION, TORSION BAR - A09LH46AQ/AX/AZ (49ATVTORSION08SP400)
TOOLS, TOOL KIT - A09LH46AQ/AX/AZ (49ATVTOOL08SP500)
WHEELS, FRONT - A09LH46AQ/AX/AZ (49ATVWHEELFRT08SP300)
WHEELS, REAR - A09LH46AQ/AX/AZ (49ATVWHEELREAR08SP300)
BODY, CLUTCH COVER - A09LH46AQ/AX/AZ (49ATVCLUTCHCVR08SP400)
BODY, DECALS - A09LH46AQ/AX/AZ (49ATVDECAL09SP400)
BODY, FRONT BUMPER and MOUNTING - A09LH46AQ/AX/AZ (49ATVBUMPER08SP400)
BODY, FRONT CAB and FRONT BOX COVER - A09LH46AQ/AX/AZ (49ATVCAB08SP300)
BODY, FUEL TANK - A09LH46AQ/AX/AZ (49ATVFUEL09SP400)
BODY, MUD GUARDS - A09LH46AQ/AX/AZ (49ATVMUDGUARD08SP400)
BODY, REAR CAB and SEAT - A09LH46AQ/AX/AZ (49ATVCABRR09SP400)
BODY, REAR CAB FOIL - A09LH46AQ/AX/AZ (49ATVCABFOIL08SP400)
BODY, REAR RACK ASM. - A09LH46AQ/AX/AZ (49ATVRACKMTG08SP300)
BRAKES, BRAKE CALIPER MOUNTING - A09LH46AQ/AX/AZ (49ATVCALIPERMTG08SP400)
BRAKES, BRAKE LINES - A09LH46AQ/AX/AZ (49ATVBRAKELINE08SP300)
BRAKES, BRAKE PEDAL and REAR MASTER CYLINDER - A09LH46AQ/AX/AZ (49ATVBRAKEFOOT08SP400)
BRAKES, FRONT and REAR CALIPERS - A09LH46AQ/AX/AZ (49ATVCALIPER08SP400)
BRAKES, FRONT BRAKE LEVER and MASTER CYLINDER - A09LH46AQ/AX/AZ (4999202079920207A14)
CHASSIS, FRAME - A09LH46AQ/AX/AZ (49ATVFRAME09SP400)
DRIVE TRAIN, FRONT DRIVE SHAFT - A09LH46AQ/AX/AZ (49ATVSHAFTDRIVE08SP300)
DRIVE TRAIN, FRONT GEARCASE - A09LH46AQ/AX/AZ (49ATVGEARCASE08SP3)
DRIVE TRAIN, FRONT GEARCASE MOUNTING - A09LH46AQ/AX/AZ (49ATVGEARCASEMTG08SP3)
DRIVE TRAIN, FRONT PROP SHAFT - A09LH46AQ/AX/AZ (49ATVSHAFTPROP09SP300)
DRIVE TRAIN, GEAR SELECTOR - A09LH46AQ/AX/AZ (49ATVGEARSELECT08SP400)
DRIVE TRAIN, MAIN GEARCASE - A09LH46AQ/AX/AZ (49ATVTRANSCVR08SP300)
DRIVE TRAIN, MAIN GEARCASE INTERNALS - A09LH46AQ/AX/AZ (49ATVTRANSINTL08SP300)
DRIVE TRAIN, MAIN GEARCASE MOUNTING - A09LH46AQ/AX/AZ (49ATVGEARCASEMTG08SP4)
DRIVE TRAIN, PRIMARY CLUTCH - A09LH46AQ/AX/AZ (49ATVPRIMARY08SP300)
DRIVE TRAIN, REAR DRIVE SHAFT - A09LH46AQ/AX/AZ (49ATVSHAFTDRIVERR08SP300)
DRIVE TRAIN, SECONDARY CLUTCH - A09LH46AQ/AX/AZ (49ATVCLUTCHDRIVEN08SP300)
ELECTRICAL, BATTERY - A09LH46AQ/AX/AZ (49ATVBATTERY09SP400)
ELECTRICAL, BULBS - A09LH46AQ/AX/AZ (49ATVBULBS09SP300)
ELECTRICAL, GAUGES and INDICATORS - A09LH46AQ/AX/AZ (49ATVGAUGES08SP300)
ELECTRICAL, HARNESSES - A09LH46AQ/AX/AZ (49ATVHARNESS09SP400)
ELECTRICAL, HEADLIGHTS - A09LH46AQ/AX/AZ (49ATVHEADLTASM08SP300)
ELECTRICAL, IGNITION SYSTEM - A09LH46AQ/AX/AZ (49ATVMAGNETO08SP400)
ELECTRICAL, SWITCHES, SENSORS and ECM - A09LH46AQ/AX/AZ (49ATVSWITCHES08SP400)
ELECTRICAL, TAILLIGHTS - A09LH46AQ/AX/AZ (49ATVTAILLAMPS09SP300)
ENGINE, AIR INTAKE SYSTEM - A09LH46AQ/AX/AZ (49ATVAIRBOX08SP400)
ENGINE, CARBURETOR LOWER - A09LH46AQ/AX/AZ (49ATVCARB08SP400)
ENGINE, CARBURETOR UPPER - A09LH46AQ/AX/AZ (49ATVCARBUPPER08SP400)
ENGINE, CLUTCH - A09LH46AQ/AX/AZ (49ATVCLUTCH08SP400)
ENGINE, COOLING SYSTEM - A09LH46AQ/AX/AZ (49ATVCOOL09SP400)
ENGINE, CRANKCASE - A09LH46AQ/AX/AZ (49ATVCRANKCASE09SP400)
ENGINE, CRANKSHAFT and PISTON - A09LH46AQ/AX/AZ (49ATVCRANKSHAFT08SP400)
ENGINE, CYLINDER and HEAD - A09LH46AQ/AX/AZ (49ATVCYLINDER08SP400)
ENGINE, EXHAUST - A09LH46AQ/AX/AZ (49ATVEXHAUST08SP400)
ENGINE, FLYWHEEL COVER - A09LH46AQ/AX/AZ (4999202119920211D14)
ENGINE, FUEL PUMP - A09LH46AQ/AX/AZ (4999200059920005D11)
ENGINE, MOUNTING - A09LH46AQ/AX/AZ (49ATVENGINEMTG10SP400)
ENGINE, OIL FILTER - A09LH46AQ/AX/AZ (49ATVOILFILTER08SP400)
ENGINE, OIL PUMP - A09LH46AQ/AX/AZ (49ATVOILPUMP08SP400)
ENGINE, OIL SYSTEM - A09LH46AQ/AX/AZ (49ATVOIL08SP400)
ENGINE, SHORT BLOCK - A09LH46AQ/AX/AZ (49ATVENGINE08SP500)
ENGINE, STARTING SYSTEM - A09LH46AQ/AX/AZ (49ATVSTARTER09SP400)
ENGINE, VALVES and CAMSHAFT - A09LH46AQ/AX/AZ (49ATVVALVE08SP400)
ENGINE, WATER PUMP - A09LH46AQ/AX/AZ (49ATVWATERPUMP08SP400)
REFERENCE, MANUALS and INFORMATION - A09LH46AQ/AX/AZ (49ATVREFERENCE08SP300)
STEERING, CONTROLS and THROTTLE - A09LH46AQ/AX/AZ (49ATVCONTROLS08SP300)
STEERING, HANDLEBAR and CONTROLS - A09LH46AQ/AX/AZ (49ATVHANDLEBAR09SP400)
STEERING, STEERING POST ASM. - A09LH46AQ/AX/AZ (49ATVSTEERING08SP300)
SUSPENSION, A-ARM and STRUT MOUNTING - A09LH46AQ/AX/AZ (49ATVAARM09SP400)
SUSPENSION, FRONT STRUT - A09LH46AQ/AX/AZ (49ATVSTRUT08SP300)
SUSPENSION, REAR - A09LH46AQ/AX/AZ (49ATVSUSPRR08SP400)
SUSPENSION, REAR SHOCKS - A09LH46AQ/AX/AZ (4999202079920207C06)
SUSPENSION, TORSION BAR - A09LH46AQ/AX/AZ (49ATVTORSION08SP400)
TOOLS, TOOL KIT - A09LH46AQ/AX/AZ (49ATVTOOL08SP500)
WHEELS, FRONT - A09LH46AQ/AX/AZ (49ATVWHEELFRT08SP300)
WHEELS, REAR - A09LH46AQ/AX/AZ (49ATVWHEELREAR08SP300)
VIEW WISH LIST