Polaris
Browse New Models
Shop In-Stock
Suzuki
Browse New Models
Shop In-Stock
Search Inventory
Exit Search
Search Inventory
7202 Lee Hwy
|
Radford, VA
24141
Toggle navigation
Home
Brands
Inventory
All Inventory In Stock
New Inventory In Stock
Polaris Off-Road Vehicles
New Polaris
New Suzuki
Used Inventory
Manufacturer Models
OEM Promotions
Value Your Trade-In
Request a Model
Secure Financing
Parts
Parts Department
Parts Finder
Shopping Cart
Service
Request Polaris Service
Service Department
Warranty & Recall Look-Up
Financing
About
Our Dealership
Employment
Reviews
Customer Survey
Newsletter Sign-Up
Events Calendar
Location & Hours
Contact
540-633-0004
Fiche | Parts Diagrams
2012 Polaris ATVs
Home
›
Parts
›
Parts Finder
Search by :
Part / Desc
VIN
Please Select
Polaris
Suzuki
*Please enter at least 3 characters
SEARCH
Manufacturer
Polaris
ATVs
2012
SPORTSMAN 800 EFI 6X6 (A12CF76AA)
VIEW WISH LIST
Select a Section
Show/Hide
BODY, CLUTCH COVER and DUCTING - A12CF76AA (49ATVCLUTCHCVR096X6)
BODY, DECALS - A12CF76AA (49ATVDECAL12SP6X6)
BODY, DUMP BOX - A12CF76AA (49ATVBOX096X6)
BODY, DUMP BOX LEVER and SHOCK MOUNTING - A12CF76AA (49ATVBOXMTG116X6)
BODY, FRONT BUMPER and MOUNTING - A12CF76AA (49ATVBUMPER12SP6X6)
BODY, FRONT CAB and SIDE PANELS - A12CF76AA (49ATVCAB12SP400)
BODY, FUEL TANK ASM. - A12CF76AA (49ATVFUEL126X6)
BODY, HEADLIGHT POD - A12CF76AA (49ATVHEADLIGHT08SP500EFI)
BODY, REAR CAB and SEAT - A12CF76AA (49ATVCABRR12SP6X6)
BODY, STORAGE, FRONT - A12CF76AA (49ATVSTORAGE12SP6X6)
BRAKES, BRAKE LINES - A12CF76AA (49ATVBRAKELINE096X6)
BRAKES, FRONT BRAKE LEVER and LH MASTER CYLINDER - A12CF76AA (49ATVMCLH086X6)
BRAKES, FRONT CALIPER - A12CF76AA (49ATVCALIPER08X2500QUAD)
BRAKES, REAR CALIPERS - A12CF76AA (49ATVBRAKERR08SP500)
BRAKES, RIGHT HAND MASTER CYLINDER - A12CF76AA (49ATVMCRH086X6)
CHASSIS, FRAME - A12CF76AA (49ATVFRAME116X6)
DRIVE TRAIN, FRONT DRIVE SHAFT - A12CF76AA (49ATVSHAFTDRIVE1332881)
DRIVE TRAIN, FRONT GEARCASE and MOUNTING - A12CF76AA (49ATVGEARCASE1332909)
DRIVE TRAIN, FRONT PROP SHAFT - A12CF76AA (49ATVSHAFTPROP08SP800EFI)
DRIVE TRAIN, GEAR SELECTOR - A12CF76AA (49ATVGEARSELECT800EFI)
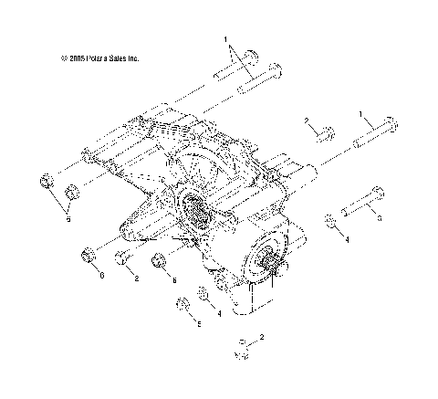
DRIVE TRAIN, MAIN GEARCASE - A12CF76AA (49ATVGEARCASE096X6)
DRIVE TRAIN, MAIN GEARCASE INTERNAL - A12CF76AA (49ATVTRANSINTL096X6)
DRIVE TRAIN, MAIN GEARCASE MOUNTING - A12CF76AA (4999200299920029C13)
DRIVE TRAIN, MAIN GEARCASE OUTPUT SHAFT - A12CF76AA (49ATVSHAFTOUTPUT096X6)
DRIVE TRAIN, MID GEARCASE INTERNALS - A12CF76AA (49ATVGEARMIDINTL096X6)
DRIVE TRAIN, MID GEARCASE MOUNTING - A12CF76AA (49ATVGEARMIDMTG096X6)
DRIVE TRAIN, MID PROP SHAFT - A12CF76AA (49ATVSHAFTPROP096X6)
DRIVE TRAIN, PRIMARY CLUTCH - A12CF76AA (49ATVCLUTCH08SP800EFI)
DRIVE TRAIN, REAR DRIVE SHAFT - A12CF76AA (49ATVSHAFTDRIVERR1332938)
DRIVE TRAIN, REAR GEARCASE INTERNALS - A12CF76AA (4999200299920029D04)
DRIVE TRAIN, REAR GEARCASE MOUNTING - A12CF76AA (4999200299920029D05)
DRIVE TRAIN, REAR PROP SHAFT - A12CF76AA (49ATVSHAFTPROPRR096X6)
DRIVE TRAIN, SECONDARY CLUTCH - A12CF76AA (49ATVCLUTCHDRIVEN08SP500EFI)
ELECTRICAL, BATTERY - A12CF76AA (49ATVBATTERY12SP6X6)
ELECTRICAL, BULBS - A12CF76AA (49ATVBULBS116X6)
ELECTRICAL, GAUGES and INDICATORS - A12CF76AA (49ATVGAUGES08SP500)
ELECTRICAL, HARNESSES - A12CF76AA (49ATVHARNESS116X6)
ELECTRICAL, HEADLIGHTS - A12CF76AA (49ATVHEADLIGHT11SP500)
ELECTRICAL, IGNITION SYSTEM (Built 6/03/12 and Before) - A12CF76AA (49ATVIGNITION096X6)
ELECTRICAL, IGNITION SYSTEM (Built 6/04/12 and After) - A12CF76AA (49ATVIGNITION136X6)
ELECTRICAL, SWITCHES and SENSORS and ECM - A12CF76AA (49ATVELECT116X6)
ELECTRICAL, TAILLIGHTS - A12CF76AA (49ATVTAILLAMPS086X6)
ENGINE, AIR INTAKE SYSTEM - A12CF76AA (49ATVAIRBOX08SP800EFI)
ENGINE, CAMSHAFT and GEARS - A12CF76AA (49ATVCAMSHAFT08SP800EFI)
ENGINE, COOLING SYSTEM - A12CF76AA (49ATVCOOL12SP6X6)
ENGINE, COOLING SYSTEM THERMOSTAT - A12CF76AA (49ATVMANIFOLD08SP800EFI)
ENGINE, CRANKCASE - A12CF76AA (49ATVCRANKCASE08SP800EFI)
ENGINE, CRANKSHAFT and BALANCE SHAFT - A12CF76AA (49ATVCRANKSHAFT12SP6X6)
ENGINE, DIPSTICK and OIL FILTER - A12CF76AA (49ATVDIPSTICK08SP800EFI)
ENGINE, EXHAUST - A12CF76AA (49ATVEXHAUST116X6)
ENGINE, FUEL INJECTOR - A12CF76AA (49ATVFUELINJECT116X6)
ENGINE, MOUNTING - A12CF76AA (49ATVENGINEMTG12SP6X6)
ENGINE, OIL PUMP and WATER PUMP - A12CF76AA (49ATVOILPUMP116X6)
ENGINE, PISTON and CYLINDER - A12CF76AA (49ATVPISTON096X6)
ENGINE, SHORT BLOCK - A12CF76AA (49ATVENGINE096X6)
ENGINE, STARTING MOTOR - A12CF76AA (49ATVSTARTER116X6)
ENGINE, THROTTLE BODY MOUNTING - A12CF76AA (49ATVTHROTTLEBODY12SP800)
ENGINE, VALVES - A12CF76AA (49ATVAIRINTAKE096X6)
REFERENCE, OWNERS MANUAL - A12CF76AA (49ATVOM07OTLW90)
STEERING, CONTROLS and THROTTLE ASM. and CABLE - A12CF76AA (49ATVCONTROLS096X6)
STEERING, HANDLEBAR and CONTROLS - A12CF76AA (49ATVHANDLEBAR09SP500EFI)
STEERING, STEERING POST - A12CF76AA (49ATVSTEERING116X6)
SUSPENSION, A-ARM and STRUT MOUNTING - A12CF76AA (49ATVAARM08SP500)
SUSPENSION, FRONT STRUT - A12CF76AA (49ATVSTRUT106X6)
SUSPENSION, REAR - A12CF76AA (49ATVSUSPRR12SP6X6)
SUSPENSION, TORSION BAR - A12CF76AA (49ATVTORSION096X6)
TOOLS, TOOL KIT - A12CF76AA (49ATVTOOL08SP800EFI)
WHEELS, FRONT - A12CF76AA (49ATVWHEELFRT096X6)
WHEELS, REAR - A12CF76AA (49ATVWHEELREAR096X6)
BODY, CLUTCH COVER and DUCTING - A12CF76AA (49ATVCLUTCHCVR096X6)
BODY, DECALS - A12CF76AA (49ATVDECAL12SP6X6)
BODY, DUMP BOX - A12CF76AA (49ATVBOX096X6)
BODY, DUMP BOX LEVER and SHOCK MOUNTING - A12CF76AA (49ATVBOXMTG116X6)
BODY, FRONT BUMPER and MOUNTING - A12CF76AA (49ATVBUMPER12SP6X6)
BODY, FRONT CAB and SIDE PANELS - A12CF76AA (49ATVCAB12SP400)
BODY, FUEL TANK ASM. - A12CF76AA (49ATVFUEL126X6)
BODY, HEADLIGHT POD - A12CF76AA (49ATVHEADLIGHT08SP500EFI)
BODY, REAR CAB and SEAT - A12CF76AA (49ATVCABRR12SP6X6)
BODY, STORAGE, FRONT - A12CF76AA (49ATVSTORAGE12SP6X6)
BRAKES, BRAKE LINES - A12CF76AA (49ATVBRAKELINE096X6)
BRAKES, FRONT BRAKE LEVER and LH MASTER CYLINDER - A12CF76AA (49ATVMCLH086X6)
BRAKES, FRONT CALIPER - A12CF76AA (49ATVCALIPER08X2500QUAD)
BRAKES, REAR CALIPERS - A12CF76AA (49ATVBRAKERR08SP500)
BRAKES, RIGHT HAND MASTER CYLINDER - A12CF76AA (49ATVMCRH086X6)
CHASSIS, FRAME - A12CF76AA (49ATVFRAME116X6)
DRIVE TRAIN, FRONT DRIVE SHAFT - A12CF76AA (49ATVSHAFTDRIVE1332881)
DRIVE TRAIN, FRONT GEARCASE and MOUNTING - A12CF76AA (49ATVGEARCASE1332909)
DRIVE TRAIN, FRONT PROP SHAFT - A12CF76AA (49ATVSHAFTPROP08SP800EFI)
DRIVE TRAIN, GEAR SELECTOR - A12CF76AA (49ATVGEARSELECT800EFI)
DRIVE TRAIN, MAIN GEARCASE - A12CF76AA (49ATVGEARCASE096X6)
DRIVE TRAIN, MAIN GEARCASE INTERNAL - A12CF76AA (49ATVTRANSINTL096X6)
DRIVE TRAIN, MAIN GEARCASE MOUNTING - A12CF76AA (4999200299920029C13)
DRIVE TRAIN, MAIN GEARCASE OUTPUT SHAFT - A12CF76AA (49ATVSHAFTOUTPUT096X6)
DRIVE TRAIN, MID GEARCASE INTERNALS - A12CF76AA (49ATVGEARMIDINTL096X6)
DRIVE TRAIN, MID GEARCASE MOUNTING - A12CF76AA (49ATVGEARMIDMTG096X6)
DRIVE TRAIN, MID PROP SHAFT - A12CF76AA (49ATVSHAFTPROP096X6)
DRIVE TRAIN, PRIMARY CLUTCH - A12CF76AA (49ATVCLUTCH08SP800EFI)
DRIVE TRAIN, REAR DRIVE SHAFT - A12CF76AA (49ATVSHAFTDRIVERR1332938)
DRIVE TRAIN, REAR GEARCASE INTERNALS - A12CF76AA (4999200299920029D04)
DRIVE TRAIN, REAR GEARCASE MOUNTING - A12CF76AA (4999200299920029D05)
DRIVE TRAIN, REAR PROP SHAFT - A12CF76AA (49ATVSHAFTPROPRR096X6)
DRIVE TRAIN, SECONDARY CLUTCH - A12CF76AA (49ATVCLUTCHDRIVEN08SP500EFI)
ELECTRICAL, BATTERY - A12CF76AA (49ATVBATTERY12SP6X6)
ELECTRICAL, BULBS - A12CF76AA (49ATVBULBS116X6)
ELECTRICAL, GAUGES and INDICATORS - A12CF76AA (49ATVGAUGES08SP500)
ELECTRICAL, HARNESSES - A12CF76AA (49ATVHARNESS116X6)
ELECTRICAL, HEADLIGHTS - A12CF76AA (49ATVHEADLIGHT11SP500)
ELECTRICAL, IGNITION SYSTEM (Built 6/03/12 and Before) - A12CF76AA (49ATVIGNITION096X6)
ELECTRICAL, IGNITION SYSTEM (Built 6/04/12 and After) - A12CF76AA (49ATVIGNITION136X6)
ELECTRICAL, SWITCHES and SENSORS and ECM - A12CF76AA (49ATVELECT116X6)
ELECTRICAL, TAILLIGHTS - A12CF76AA (49ATVTAILLAMPS086X6)
ENGINE, AIR INTAKE SYSTEM - A12CF76AA (49ATVAIRBOX08SP800EFI)
ENGINE, CAMSHAFT and GEARS - A12CF76AA (49ATVCAMSHAFT08SP800EFI)
ENGINE, COOLING SYSTEM - A12CF76AA (49ATVCOOL12SP6X6)
ENGINE, COOLING SYSTEM THERMOSTAT - A12CF76AA (49ATVMANIFOLD08SP800EFI)
ENGINE, CRANKCASE - A12CF76AA (49ATVCRANKCASE08SP800EFI)
ENGINE, CRANKSHAFT and BALANCE SHAFT - A12CF76AA (49ATVCRANKSHAFT12SP6X6)
ENGINE, DIPSTICK and OIL FILTER - A12CF76AA (49ATVDIPSTICK08SP800EFI)
ENGINE, EXHAUST - A12CF76AA (49ATVEXHAUST116X6)
ENGINE, FUEL INJECTOR - A12CF76AA (49ATVFUELINJECT116X6)
ENGINE, MOUNTING - A12CF76AA (49ATVENGINEMTG12SP6X6)
ENGINE, OIL PUMP and WATER PUMP - A12CF76AA (49ATVOILPUMP116X6)
ENGINE, PISTON and CYLINDER - A12CF76AA (49ATVPISTON096X6)
ENGINE, SHORT BLOCK - A12CF76AA (49ATVENGINE096X6)
ENGINE, STARTING MOTOR - A12CF76AA (49ATVSTARTER116X6)
ENGINE, THROTTLE BODY MOUNTING - A12CF76AA (49ATVTHROTTLEBODY12SP800)
ENGINE, VALVES - A12CF76AA (49ATVAIRINTAKE096X6)
REFERENCE, OWNERS MANUAL - A12CF76AA (49ATVOM07OTLW90)
STEERING, CONTROLS and THROTTLE ASM. and CABLE - A12CF76AA (49ATVCONTROLS096X6)
STEERING, HANDLEBAR and CONTROLS - A12CF76AA (49ATVHANDLEBAR09SP500EFI)
STEERING, STEERING POST - A12CF76AA (49ATVSTEERING116X6)
SUSPENSION, A-ARM and STRUT MOUNTING - A12CF76AA (49ATVAARM08SP500)
SUSPENSION, FRONT STRUT - A12CF76AA (49ATVSTRUT106X6)
SUSPENSION, REAR - A12CF76AA (49ATVSUSPRR12SP6X6)
SUSPENSION, TORSION BAR - A12CF76AA (49ATVTORSION096X6)
TOOLS, TOOL KIT - A12CF76AA (49ATVTOOL08SP800EFI)
WHEELS, FRONT - A12CF76AA (49ATVWHEELFRT096X6)
WHEELS, REAR - A12CF76AA (49ATVWHEELREAR096X6)
VIEW WISH LIST