Polaris
Browse New Models
Shop In-Stock
Suzuki
Browse New Models
Shop In-Stock
Search Inventory
Exit Search
Search Inventory
7202 Lee Hwy
|
Radford, VA
24141
Toggle navigation
Home
Brands
Inventory
All Inventory In Stock
New Inventory In Stock
Polaris Off-Road Vehicles
New Polaris
New Suzuki
Used Inventory
Manufacturer Models
OEM Promotions
Value Your Trade-In
Request a Model
Secure Financing
Parts
Parts Department
Parts Finder
Shopping Cart
Service
Request Polaris Service
Service Department
Warranty & Recall Look-Up
Financing
About
Our Dealership
Employment
Reviews
Customer Survey
Newsletter Sign-Up
Events Calendar
Location & Hours
Contact
540-633-0004
Fiche | Parts Diagrams
2025 Polaris ATVs
Home
›
Parts
›
Parts Finder
Search by :
Part / Desc
VIN
Please Select
Polaris
Suzuki
*Please enter at least 3 characters
SEARCH
Manufacturer
Polaris
ATVs
2025
SPORTSMAN TOURING 570 ULT (A25SJR57AM)
VIEW WISH LIST
Select a Section
Show/Hide
*SERVICE AND MAINTENANCE - ATV 570 TRG/EPS/TRG PREM/TRG ULT/X2*
*SERVICE AND MAINTENANCE PARTS LIST* - A25SJR57AM (ATV 570 SERVICE PAGE 9941)
BODY, CLOSE OFF PANEL and ACCESS PANEL - A25SJR57AM (C102621)
BODY, CLUTCH COVER - A25SJR57AM (C102602)
BODY, DECALS, GRAPHIC - A25SJR57AM (900901)
BODY, DECALS, STANDARD - A25SJR57AM (900860)
BODY, FOOTWELLS - A25SJR57AM (C102520)
BODY, FRONT BUMPER - A25SJR57AM (C0211236-1)
BODY, FRONT BUMPER - A25SJR57AM (C102288)
BODY, FRONT CAB - A25SJR57AM (C102667)
BODY, FRONT COVER - A25SJR57AM (C102608)
BODY, FRONT, RACK - A25SJR57AM (C102613)
BODY, FRONT, RACK EXTENDERS - A25SJR57AM (C0211524-1)
BODY, HEADLIGHT POD - A25SJR57AM (C0201216-1)
BODY, HEADLIGHT POD PLUGS - A25SJR57AM (C102224)
BODY, REAR BOX, STORAGE - A25SJR57AM (C102458)
BODY, REAR BUMPER - A25SJR57AM (C0211528)
BODY, REAR CAB - A25SJR57AM (C102738)
BODY, REAR RACK - A25SJR57AM (C102456)
BODY, REAR RACK EXTENDERS - A25SJR57AM (C102457)
BODY, SEAT - A25SJR57AM (C102522)
BODY, SIDE PANELS - A25SJR57AM (C102597)
BRAKES, BRAKE LINES - A25SJR57AM (C102666)
BRAKES, BRAKE PEDAL and MASTER CYLINDER - A25SJR57AM (C102601)
BRAKES, FRONT BRAKE LEVER and MASTER CYLINDER - A25SJR57AM (100868)
BRAKES, FRONT CALIPER - A25SJR57AM (1913813)
BRAKES, REAR CALIPER - A25SJR57AM (1913748)
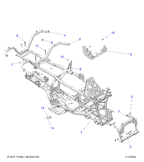
CHASSIS, FRAME - A25SJR57AM (C102824)
CHASSIS, WINCH - A25SJR57AM (C102381)
DRIVE TRAIN, FRONT DRIVE SHAFT - A25SJR57AM (C102615)
DRIVE TRAIN, FRONT GEARCASE - A25SJR57AM (102288)
DRIVE TRAIN, FRONT GEARCASE MOUNTING - A25SJR57AM (C0211414-2)
DRIVE TRAIN, FRONT PROP SHAFT - A25SJR57AM (C102230)
DRIVE TRAIN, GEAR SELECTOR - A25SJR57AM (C101699)
DRIVE TRAIN, MAIN GEARCASE - A25SJR57AM (1334635)
DRIVE TRAIN, MAIN GEARCASE MOUNTING - A25SJR57AM (C102678)
DRIVE TRAIN, PRIMARY CLUTCH - A25SJR57AM (C0211241-2)
DRIVE TRAIN, REAR DRIVE SHAFT - A25SJR57AM (C102616)
DRIVE TRAIN, SECONDARY CLUTCH - A25SJR57AM (C700594)
ELECTRICAL BATTERY - A25SJR57AM (C102614)
ELECTRICAL, GAUGES and INDICATORS - A25SJR57AM (C102379)
ELECTRICAL, GPS ANTENNA - A25SJR57AM (C0211577)
ELECTRICAL, HARNESS, PLOWMODE JUMPER - A25SJR57AM (C102382)
ELECTRICAL, HEADLIGHTS - A25SJR57AM (C102564)
ELECTRICAL, IGNITION COIL, WIRE AND SPARK PLUG - A25SJR57AM (C101422-16)
ELECTRICAL, SWITCHES, SENSORS and ECM - A25SJR57AM (C102664)
ELECTRICAL, TAILLAMPS - A25SJR57AM (C0211245-5)
ELECTRICAL, TAILLIGHT HARNESS - A25SJR57AM (C102611)
ELECTRICAL, VOLTAGE REGULATOR AND MOUNTING - A25SJR57AM (C102170)
ELECTRICAL, WIRE HARNESS - A25SJR57AM (C102523)
ENGINE, AIR INTAKE SYSTEM - A25SJR57AM (C102665)
ENGINE, CAM CHAIN and SPROCKET - A25SJR57AM (C101422-17)
ENGINE, COOLING SYSTEM, HOSES - A25SJR57AM (C102518)
ENGINE, COOLING SYSTEM, RADIATOR, FAN & OVERFLOW BOTTLE - A25SJR57AM (C702866)
ENGINE, CRANKCASE - A25SJR57AM (C101422-26)
ENGINE, CRANKSHAFT, PISTON and BALANCE SHAFT - A25SJR57AM (C101422-4)
ENGINE, CYLINDER - A25SJR57AM (C101422-19)
ENGINE, CYLINDER HEAD, CAMS and VALVES - A25SJR57AM (C101422-20)
ENGINE, EXHAUST - A25SJR57AM (C102606)
ENGINE, MOUNTING & LONG BLOCK - A25SJR57AM (C102397)
ENGINE, OIL FILTER and DIPSTICK - A25SJR57AM (C101422-8)
ENGINE, OIL PUMP - A25SJR57AM (C101422-9)
ENGINE, STARTER DRIVE - A25SJR57AM (C101422-10)
ENGINE, STATOR COVER and FLYWHEEL - A25SJR57AM (C0211232-1)
ENGINE, THERMOSTAT and COVER - A25SJR57AM (C101422-22)
ENGINE, THROTTLE BODY and FUEL RAIL - A25SJR57AM (C0211647)
ENGINE, VALVE COVER - A25SJR57AM (C101422-24)
ENGINE, WATERPUMP IMPELLER and COVER - A25SJR57AM (C101422-15)
FUEL SYSTEM, FUEL TANK ASM. - A25SJR57AM (C102695)
REFERENCE, TOOL KIT AND OWNERS MANUAL - A25SJR57AM (C102681)
STEERING POST - A25SJR57AM (C102260-7)
STEERING, CONTROLS, LEFT HAND CONTROLS - A25SJR57AM (C0211245-2)
STEERING, CONTROLS, THROTTLE ASM. and CABLE - A25SJR57AM (C102643)
STEERING, HANDLEBAR - A25SJR57AM (C0211445-1)
STEERING, TIE RODS - A25SJR57AM (C102293-1)
SUSPENSION, A-ARMS - A25SJR57AM (C102803)
SUSPENSION, FRONT A-ARM MOUNTING - A25SJR57AM (C102663)
SUSPENSION, FRONT HUB, CARRIER, and BRAKE DISC - A25SJR57AM (C102261-1)
SUSPENSION, FRONT SHOCK - A25SJR57AM (C102641)
SUSPENSION, REAR CONTROL ARM, MOUNTING - A25SJR57AM (C102781)
SUSPENSION, REAR CONTROL ARMS - A25SJR57AM (C102529)
SUSPENSION, REAR HUBS, CARRIER and BRAKE DISC - A25SJR57AM (C0211229-4)
SUSPENSION, REAR SHOCK and MOUNTING - A25SJR57AM (C0211229-1)
SUSPENSION, TORSION BAR - A25SJR57AM (C102603)
WHEELS, FRONT TIRE - A25SJR57AM (C102232-1)
WHEELS, REAR TIRE - A25SJR57AM (C102232-2)
*SERVICE AND MAINTENANCE - ATV 570 TRG/EPS/TRG PREM/TRG ULT/X2*
*SERVICE AND MAINTENANCE PARTS LIST* - A25SJR57AM (ATV 570 SERVICE PAGE 9941)
BODY, CLOSE OFF PANEL and ACCESS PANEL - A25SJR57AM (C102621)
BODY, CLUTCH COVER - A25SJR57AM (C102602)
BODY, DECALS, GRAPHIC - A25SJR57AM (900901)
BODY, DECALS, STANDARD - A25SJR57AM (900860)
BODY, FOOTWELLS - A25SJR57AM (C102520)
BODY, FRONT BUMPER - A25SJR57AM (C0211236-1)
BODY, FRONT BUMPER - A25SJR57AM (C102288)
BODY, FRONT CAB - A25SJR57AM (C102667)
BODY, FRONT COVER - A25SJR57AM (C102608)
BODY, FRONT, RACK - A25SJR57AM (C102613)
BODY, FRONT, RACK EXTENDERS - A25SJR57AM (C0211524-1)
BODY, HEADLIGHT POD - A25SJR57AM (C0201216-1)
BODY, HEADLIGHT POD PLUGS - A25SJR57AM (C102224)
BODY, REAR BOX, STORAGE - A25SJR57AM (C102458)
BODY, REAR BUMPER - A25SJR57AM (C0211528)
BODY, REAR CAB - A25SJR57AM (C102738)
BODY, REAR RACK - A25SJR57AM (C102456)
BODY, REAR RACK EXTENDERS - A25SJR57AM (C102457)
BODY, SEAT - A25SJR57AM (C102522)
BODY, SIDE PANELS - A25SJR57AM (C102597)
BRAKES, BRAKE LINES - A25SJR57AM (C102666)
BRAKES, BRAKE PEDAL and MASTER CYLINDER - A25SJR57AM (C102601)
BRAKES, FRONT BRAKE LEVER and MASTER CYLINDER - A25SJR57AM (100868)
BRAKES, FRONT CALIPER - A25SJR57AM (1913813)
BRAKES, REAR CALIPER - A25SJR57AM (1913748)
CHASSIS, FRAME - A25SJR57AM (C102824)
CHASSIS, WINCH - A25SJR57AM (C102381)
DRIVE TRAIN, FRONT DRIVE SHAFT - A25SJR57AM (C102615)
DRIVE TRAIN, FRONT GEARCASE - A25SJR57AM (102288)
DRIVE TRAIN, FRONT GEARCASE MOUNTING - A25SJR57AM (C0211414-2)
DRIVE TRAIN, FRONT PROP SHAFT - A25SJR57AM (C102230)
DRIVE TRAIN, GEAR SELECTOR - A25SJR57AM (C101699)
DRIVE TRAIN, MAIN GEARCASE - A25SJR57AM (1334635)
DRIVE TRAIN, MAIN GEARCASE MOUNTING - A25SJR57AM (C102678)
DRIVE TRAIN, PRIMARY CLUTCH - A25SJR57AM (C0211241-2)
DRIVE TRAIN, REAR DRIVE SHAFT - A25SJR57AM (C102616)
DRIVE TRAIN, SECONDARY CLUTCH - A25SJR57AM (C700594)
ELECTRICAL BATTERY - A25SJR57AM (C102614)
ELECTRICAL, GAUGES and INDICATORS - A25SJR57AM (C102379)
ELECTRICAL, GPS ANTENNA - A25SJR57AM (C0211577)
ELECTRICAL, HARNESS, PLOWMODE JUMPER - A25SJR57AM (C102382)
ELECTRICAL, HEADLIGHTS - A25SJR57AM (C102564)
ELECTRICAL, IGNITION COIL, WIRE AND SPARK PLUG - A25SJR57AM (C101422-16)
ELECTRICAL, SWITCHES, SENSORS and ECM - A25SJR57AM (C102664)
ELECTRICAL, TAILLAMPS - A25SJR57AM (C0211245-5)
ELECTRICAL, TAILLIGHT HARNESS - A25SJR57AM (C102611)
ELECTRICAL, VOLTAGE REGULATOR AND MOUNTING - A25SJR57AM (C102170)
ELECTRICAL, WIRE HARNESS - A25SJR57AM (C102523)
ENGINE, AIR INTAKE SYSTEM - A25SJR57AM (C102665)
ENGINE, CAM CHAIN and SPROCKET - A25SJR57AM (C101422-17)
ENGINE, COOLING SYSTEM, HOSES - A25SJR57AM (C102518)
ENGINE, COOLING SYSTEM, RADIATOR, FAN & OVERFLOW BOTTLE - A25SJR57AM (C702866)
ENGINE, CRANKCASE - A25SJR57AM (C101422-26)
ENGINE, CRANKSHAFT, PISTON and BALANCE SHAFT - A25SJR57AM (C101422-4)
ENGINE, CYLINDER - A25SJR57AM (C101422-19)
ENGINE, CYLINDER HEAD, CAMS and VALVES - A25SJR57AM (C101422-20)
ENGINE, EXHAUST - A25SJR57AM (C102606)
ENGINE, MOUNTING & LONG BLOCK - A25SJR57AM (C102397)
ENGINE, OIL FILTER and DIPSTICK - A25SJR57AM (C101422-8)
ENGINE, OIL PUMP - A25SJR57AM (C101422-9)
ENGINE, STARTER DRIVE - A25SJR57AM (C101422-10)
ENGINE, STATOR COVER and FLYWHEEL - A25SJR57AM (C0211232-1)
ENGINE, THERMOSTAT and COVER - A25SJR57AM (C101422-22)
ENGINE, THROTTLE BODY and FUEL RAIL - A25SJR57AM (C0211647)
ENGINE, VALVE COVER - A25SJR57AM (C101422-24)
ENGINE, WATERPUMP IMPELLER and COVER - A25SJR57AM (C101422-15)
FUEL SYSTEM, FUEL TANK ASM. - A25SJR57AM (C102695)
REFERENCE, TOOL KIT AND OWNERS MANUAL - A25SJR57AM (C102681)
STEERING POST - A25SJR57AM (C102260-7)
STEERING, CONTROLS, LEFT HAND CONTROLS - A25SJR57AM (C0211245-2)
STEERING, CONTROLS, THROTTLE ASM. and CABLE - A25SJR57AM (C102643)
STEERING, HANDLEBAR - A25SJR57AM (C0211445-1)
STEERING, TIE RODS - A25SJR57AM (C102293-1)
SUSPENSION, A-ARMS - A25SJR57AM (C102803)
SUSPENSION, FRONT A-ARM MOUNTING - A25SJR57AM (C102663)
SUSPENSION, FRONT HUB, CARRIER, and BRAKE DISC - A25SJR57AM (C102261-1)
SUSPENSION, FRONT SHOCK - A25SJR57AM (C102641)
SUSPENSION, REAR CONTROL ARM, MOUNTING - A25SJR57AM (C102781)
SUSPENSION, REAR CONTROL ARMS - A25SJR57AM (C102529)
SUSPENSION, REAR HUBS, CARRIER and BRAKE DISC - A25SJR57AM (C0211229-4)
SUSPENSION, REAR SHOCK and MOUNTING - A25SJR57AM (C0211229-1)
SUSPENSION, TORSION BAR - A25SJR57AM (C102603)
WHEELS, FRONT TIRE - A25SJR57AM (C102232-1)
WHEELS, REAR TIRE - A25SJR57AM (C102232-2)
VIEW WISH LIST