Polaris
Browse New Models
Shop In-Stock
Suzuki
Browse New Models
Shop In-Stock
Search Inventory
Exit Search
Search Inventory
7202 Lee Hwy
|
Radford, VA
24141
Toggle navigation
Home
Brands
Inventory
All Inventory In Stock
New Inventory In Stock
Polaris Off-Road Vehicles
New Polaris
New Suzuki
Used Inventory
Manufacturer Models
OEM Promotions
Value Your Trade-In
Request a Model
Secure Financing
Parts
Parts Department
Parts Finder
Shopping Cart
Service
Request Polaris Service
Service Department
Warranty & Recall Look-Up
Financing
About
Our Dealership
Employment
Reviews
Customer Survey
Newsletter Sign-Up
Events Calendar
Location & Hours
Contact
540-633-0004
Fiche | Parts Diagrams
2014 Polaris Utility Vehicles
Home
›
Parts
›
Parts Finder
Search by :
Part / Desc
VIN
Please Select
Polaris
Suzuki
*Please enter at least 3 characters
SEARCH
Manufacturer
Polaris
Utility Vehicles
2014
RANGER 900 DIESEL (R14TH90DG)
VIEW WISH LIST
Select a Section
Show/Hide
BODY, BOX ASM. - R14TH90DG (49RGRBOX12800XP)
BODY, BOX MOUNTING - R14TH90DG (49RGRBOXMOUNTING11900D)
BODY, CLUTCH COVER and DUCTING - R14TH90DG (49RGRCLUTCHCVR11900D)
BODY, DECALS - R14TH90DG (49RGRDECAL14900D)
BODY, FLOOR and FENDERS - R14TH90DG (49RGRMOLDINGS13900D)
BODY, FUEL TANK ASM. - R14TH90DG (49RGRFUEL11900D)
BODY, GLOVE BOX STORAGE - R14TH90DG (49RGRGLOVEBOX118004X4)
BODY, HOOD and FRONT FASCIA - R14TH90DG (49RGRLATCH118004X4)
BODY, HOOD LATCH - R14TH90DG (49RGRLATCH12CREW)
BODY, SEAT and BASE - R14TH90DG (49RGRSEAT14900D)
BODY, SIDE NETS - R14TH90DG (49RGRNETS118004X4)
BODY, TAILGATE ASM. - R14TH90DG (49RGRTAILGATE095004X4)
BRAKES, FRONT CALIPER (BUILT 11/4/13 AND BEFORE) - R14TH90DG (49RGRCALIPER097004X4)
BRAKES, FRONT CALIPER (BUILT 11/5/13 AND AFTER) - R14TH90DG (49RGRCALIPER097004X4)
BRAKES, LINES and MASTER CYLINDER - R14TH90DG (49RGRBRAKELINES11900D)
BRAKES, PARK BRAKE ASM. - R14TH90DG (49RGRBRAKEPARK11900D)
BRAKES, PEDAL and MASTER CYLINDER MOUNTING - R14TH90DG (49RGRBRAKEFOOT097004X4)
BRAKES, REAR CALIPER - R14TH90DG (49RGRCALIPERRR097004X4)
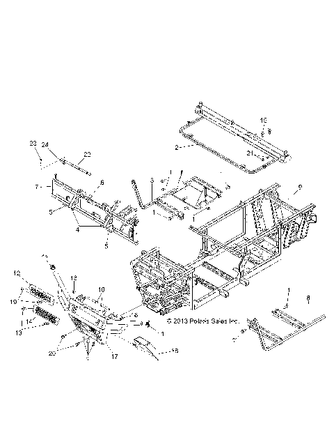
CHASSIS, CAB FRAME - R14TH90DG (49RGRFRAME108004X4)
CHASSIS, FRAME and FRONT BUMPER - R14TH90DG (49RGRCHASSIS14900D)
DRIVE TRAIN, DRIVE COUPLER and BELLHOUSING - R14TH90DG (49RGRCOUPLER11900D)
DRIVE TRAIN, FRONT DRIVE SHAFT - R14TH90DG (49RGRSHAFTDRV11DCREW)
DRIVE TRAIN, FRONT GEARCASE INTERNALS - R14TH90DG (49RGRTRANSINTL13900XP)
DRIVE TRAIN, FRONT GEARCASE MOUNTING - R14TH90DG (49RGRGEARCASEMTG11900D)
DRIVE TRAIN, FRONT PROP SHAFT - R14TH90DG (49RGRSHAFTPROP12900D)
DRIVE TRAIN, GEAR SELECTOR - R14TH90DG (49RGRGEARSELECT11DCREW)
DRIVE TRAIN, MAIN GEARCASE - R14TH90DG (49RGRGEARCASE11DCREW)
DRIVE TRAIN, MAIN GEARCASE INTERNALS - R14TH90DG (49RGRTRANSINTL11DCREW)
DRIVE TRAIN, MAIN GEARCASE SHIFT FORKS - R14TH90DG (49RGRFORKS11DCREW)
DRIVE TRAIN, PRIMARY CLUTCH - R14TH90DG (49RGRCLUTCHDRV12DCREW)
DRIVE TRAIN, REAR DRIVE SHAFT - R14TH90DG (49RGRSHAFTDRVRR11DCREW)
DRIVE TRAIN, REAR GEARCASE - R14TH90DG (49RGRGEARCASERR11900D)
DRIVE TRAIN, REAR GEARCASE MOUNTING - R14TH90DG (49RGRGEARCASERRMTG11900D)
DRIVE TRAIN, REAR PROP SHAFT - R14TH90DG (49RGRSHAFTPROPRR11900D)
DRIVE TRAIN, SECONDARY CLUTCH - R14TH90DG (49RGRCLUTCHDVN12DCREW)
DRIVE TRAIN, TRANSMISSION MOUNTING - R14TH90DG (49RGRTRANSMTG11D)
ELECTRICAL, BATTERY - R14TH90DG (49RGRBATTERY11900D)
ELECTRICAL, DASH INSTRUMENTS and CONTROLS - R14TH90DG (49RGRDASH11900D)
ELECTRICAL, HEADLIGHTS, TAILLIGHTS and BULBS - R14TH90DG (49RGRTAILLAMPS097004X4)
ELECTRICAL, REGULATOR, RELAYS and ECU - R14TH90DG (49RGRELECT11900D)
ELECTRICAL, WIRE HARNESSES - R14TH90DG (49RGRHARNESS11900D)
ENGINE, AIR INTAKE - R14TH90DG (49RGRAIRINTAKE11DCREW)
ENGINE, AIR INTAKE DUCTING - R14TH90DG (49RGRAIRINTAKEDCTG11900D)
ENGINE, ALTERNATOR - R14TH90DG (49RGRALTERNATOR11DCREW)
ENGINE, CAMSHAFT and DRIVING GEAR - R14TH90DG (49RGRCAMSHAFT11DCREW)
ENGINE, COOLING SYSTEM - R14TH90DG (49RGRCOOL12900D)
ENGINE, CRANKSHAFT and PISTON - R14TH90DG (49RGRPISTON11DCREW)
ENGINE, CYLINDER BLOCK - R14TH90DG (49RGRCYLINDER11DCREW)
ENGINE, CYLINDER HEAD and BONNET - R14TH90DG (49RGRCYLINDERHD11DCREW)
ENGINE, EXHAUST - R14TH90DG (49RGREXHAUST11900D)
ENGINE, EXHAUST MANIFOLD - R14TH90DG (49RGRMANIFOLD11DCREW)
ENGINE, FUEL INJECTION PUMP - R14TH90DG (49RGRFUELINJECT11DCREW)
ENGINE, FUEL INJECTION VALVE - R14TH90DG (49RGRVALVE11DCREW)
ENGINE, FUEL LINE - R14TH90DG (49RGRFUELLINE11DCREW)
ENGINE, GASKET SET - R14TH90DG (49RGRGASKET11DCREW)
ENGINE, GEAR HOUSING - R14TH90DG (49RGRGEARCASE11D)
ENGINE, GOVERNOR - R14TH90DG (49RGRGOVERNOR11DCREW)
ENGINE, LONG BLOCK - R14TH90DG (49RGRLB1204209)
ENGINE, MOUNTING & LONG BLOCK - R14TH90DG (49RGRENGINEMTG11900D)
ENGINE, MOUNTING FLANGE and OIL SUMP - R14TH90DG (49RGROILSUMP11DCREW)
ENGINE, OIL SYSTEM and DIPSTICK - R14TH90DG (49RGROILPUMP11DCREW)
ENGINE, STARTING MOTOR - R14TH90DG (49RGRSTARTINGMTR11DCREW)
ENGINE, THROTTLE PEDAL - R14TH90DG (49RGRTHROTTLEPEDAL12900D)
ENGINE, WATER COOLING SYSTEM - R14TH90DG (49RGRWATERPUMP11DCREW)
REFERENCES, TOOL KIT and OWNERS MANUALS - R14TH90DG (49RGRTOOL11900D)
STEERING, STEERING ASM. - R14TH90DG (49RGRSTEERING11900D)
SUSPENSION, FRONT CONTROL ARMS - R14TH90DG (49RGRSUSPFRT108004X4)
SUSPENSION, FRONT SHOCK - R14TH90DG (49RGRSHOCKMTG097004X4)
SUSPENSION, REAR - R14TH90DG (49RGRSUSPRR10800CREW)
SUSPENSION, REAR STABILIZER BAR - R14TH90DG (49RGRSTABILIZERRR11900D)
WHEELS, FRONT - R14TH900DG (49RGRWHEELFRT11900D)
WHEELS, REAR - R14TH90DG (49RGRWHEELRR116X6)
BODY, BOX ASM. - R14TH90DG (49RGRBOX12800XP)
BODY, BOX MOUNTING - R14TH90DG (49RGRBOXMOUNTING11900D)
BODY, CLUTCH COVER and DUCTING - R14TH90DG (49RGRCLUTCHCVR11900D)
BODY, DECALS - R14TH90DG (49RGRDECAL14900D)
BODY, FLOOR and FENDERS - R14TH90DG (49RGRMOLDINGS13900D)
BODY, FUEL TANK ASM. - R14TH90DG (49RGRFUEL11900D)
BODY, GLOVE BOX STORAGE - R14TH90DG (49RGRGLOVEBOX118004X4)
BODY, HOOD and FRONT FASCIA - R14TH90DG (49RGRLATCH118004X4)
BODY, HOOD LATCH - R14TH90DG (49RGRLATCH12CREW)
BODY, SEAT and BASE - R14TH90DG (49RGRSEAT14900D)
BODY, SIDE NETS - R14TH90DG (49RGRNETS118004X4)
BODY, TAILGATE ASM. - R14TH90DG (49RGRTAILGATE095004X4)
BRAKES, FRONT CALIPER (BUILT 11/4/13 AND BEFORE) - R14TH90DG (49RGRCALIPER097004X4)
BRAKES, FRONT CALIPER (BUILT 11/5/13 AND AFTER) - R14TH90DG (49RGRCALIPER097004X4)
BRAKES, LINES and MASTER CYLINDER - R14TH90DG (49RGRBRAKELINES11900D)
BRAKES, PARK BRAKE ASM. - R14TH90DG (49RGRBRAKEPARK11900D)
BRAKES, PEDAL and MASTER CYLINDER MOUNTING - R14TH90DG (49RGRBRAKEFOOT097004X4)
BRAKES, REAR CALIPER - R14TH90DG (49RGRCALIPERRR097004X4)
CHASSIS, CAB FRAME - R14TH90DG (49RGRFRAME108004X4)
CHASSIS, FRAME and FRONT BUMPER - R14TH90DG (49RGRCHASSIS14900D)
DRIVE TRAIN, DRIVE COUPLER and BELLHOUSING - R14TH90DG (49RGRCOUPLER11900D)
DRIVE TRAIN, FRONT DRIVE SHAFT - R14TH90DG (49RGRSHAFTDRV11DCREW)
DRIVE TRAIN, FRONT GEARCASE INTERNALS - R14TH90DG (49RGRTRANSINTL13900XP)
DRIVE TRAIN, FRONT GEARCASE MOUNTING - R14TH90DG (49RGRGEARCASEMTG11900D)
DRIVE TRAIN, FRONT PROP SHAFT - R14TH90DG (49RGRSHAFTPROP12900D)
DRIVE TRAIN, GEAR SELECTOR - R14TH90DG (49RGRGEARSELECT11DCREW)
DRIVE TRAIN, MAIN GEARCASE - R14TH90DG (49RGRGEARCASE11DCREW)
DRIVE TRAIN, MAIN GEARCASE INTERNALS - R14TH90DG (49RGRTRANSINTL11DCREW)
DRIVE TRAIN, MAIN GEARCASE SHIFT FORKS - R14TH90DG (49RGRFORKS11DCREW)
DRIVE TRAIN, PRIMARY CLUTCH - R14TH90DG (49RGRCLUTCHDRV12DCREW)
DRIVE TRAIN, REAR DRIVE SHAFT - R14TH90DG (49RGRSHAFTDRVRR11DCREW)
DRIVE TRAIN, REAR GEARCASE - R14TH90DG (49RGRGEARCASERR11900D)
DRIVE TRAIN, REAR GEARCASE MOUNTING - R14TH90DG (49RGRGEARCASERRMTG11900D)
DRIVE TRAIN, REAR PROP SHAFT - R14TH90DG (49RGRSHAFTPROPRR11900D)
DRIVE TRAIN, SECONDARY CLUTCH - R14TH90DG (49RGRCLUTCHDVN12DCREW)
DRIVE TRAIN, TRANSMISSION MOUNTING - R14TH90DG (49RGRTRANSMTG11D)
ELECTRICAL, BATTERY - R14TH90DG (49RGRBATTERY11900D)
ELECTRICAL, DASH INSTRUMENTS and CONTROLS - R14TH90DG (49RGRDASH11900D)
ELECTRICAL, HEADLIGHTS, TAILLIGHTS and BULBS - R14TH90DG (49RGRTAILLAMPS097004X4)
ELECTRICAL, REGULATOR, RELAYS and ECU - R14TH90DG (49RGRELECT11900D)
ELECTRICAL, WIRE HARNESSES - R14TH90DG (49RGRHARNESS11900D)
ENGINE, AIR INTAKE - R14TH90DG (49RGRAIRINTAKE11DCREW)
ENGINE, AIR INTAKE DUCTING - R14TH90DG (49RGRAIRINTAKEDCTG11900D)
ENGINE, ALTERNATOR - R14TH90DG (49RGRALTERNATOR11DCREW)
ENGINE, CAMSHAFT and DRIVING GEAR - R14TH90DG (49RGRCAMSHAFT11DCREW)
ENGINE, COOLING SYSTEM - R14TH90DG (49RGRCOOL12900D)
ENGINE, CRANKSHAFT and PISTON - R14TH90DG (49RGRPISTON11DCREW)
ENGINE, CYLINDER BLOCK - R14TH90DG (49RGRCYLINDER11DCREW)
ENGINE, CYLINDER HEAD and BONNET - R14TH90DG (49RGRCYLINDERHD11DCREW)
ENGINE, EXHAUST - R14TH90DG (49RGREXHAUST11900D)
ENGINE, EXHAUST MANIFOLD - R14TH90DG (49RGRMANIFOLD11DCREW)
ENGINE, FUEL INJECTION PUMP - R14TH90DG (49RGRFUELINJECT11DCREW)
ENGINE, FUEL INJECTION VALVE - R14TH90DG (49RGRVALVE11DCREW)
ENGINE, FUEL LINE - R14TH90DG (49RGRFUELLINE11DCREW)
ENGINE, GASKET SET - R14TH90DG (49RGRGASKET11DCREW)
ENGINE, GEAR HOUSING - R14TH90DG (49RGRGEARCASE11D)
ENGINE, GOVERNOR - R14TH90DG (49RGRGOVERNOR11DCREW)
ENGINE, LONG BLOCK - R14TH90DG (49RGRLB1204209)
ENGINE, MOUNTING & LONG BLOCK - R14TH90DG (49RGRENGINEMTG11900D)
ENGINE, MOUNTING FLANGE and OIL SUMP - R14TH90DG (49RGROILSUMP11DCREW)
ENGINE, OIL SYSTEM and DIPSTICK - R14TH90DG (49RGROILPUMP11DCREW)
ENGINE, STARTING MOTOR - R14TH90DG (49RGRSTARTINGMTR11DCREW)
ENGINE, THROTTLE PEDAL - R14TH90DG (49RGRTHROTTLEPEDAL12900D)
ENGINE, WATER COOLING SYSTEM - R14TH90DG (49RGRWATERPUMP11DCREW)
REFERENCES, TOOL KIT and OWNERS MANUALS - R14TH90DG (49RGRTOOL11900D)
STEERING, STEERING ASM. - R14TH90DG (49RGRSTEERING11900D)
SUSPENSION, FRONT CONTROL ARMS - R14TH90DG (49RGRSUSPFRT108004X4)
SUSPENSION, FRONT SHOCK - R14TH90DG (49RGRSHOCKMTG097004X4)
SUSPENSION, REAR - R14TH90DG (49RGRSUSPRR10800CREW)
SUSPENSION, REAR STABILIZER BAR - R14TH90DG (49RGRSTABILIZERRR11900D)
WHEELS, FRONT - R14TH900DG (49RGRWHEELFRT11900D)
WHEELS, REAR - R14TH90DG (49RGRWHEELRR116X6)
VIEW WISH LIST