Polaris
Browse New Models
Shop In-Stock
Suzuki
Browse New Models
Shop In-Stock
Search Inventory
Exit Search
Search Inventory
7202 Lee Hwy
|
Radford, VA
24141
Toggle navigation
Home
Brands
Inventory
All Inventory In Stock
New Inventory In Stock
Polaris Off-Road Vehicles
New Polaris
New Suzuki
Used Inventory
Manufacturer Models
OEM Promotions
Value Your Trade-In
Request a Model
Secure Financing
Parts
Parts Department
Parts Finder
Shopping Cart
Service
Request Polaris Service
Service Department
Warranty & Recall Look-Up
Financing
About
Our Dealership
Employment
Reviews
Customer Survey
Newsletter Sign-Up
Events Calendar
Location & Hours
Contact
540-633-0004
Fiche | Parts Diagrams
2009 Suzuki Motorcycles
Home
›
Parts
›
Parts Finder
Search by :
Part / Desc
VIN
Please Select
Polaris
Suzuki
*Please enter at least 3 characters
SEARCH
Manufacturer
Suzuki
Motorcycles
2009
DR650SE
VIEW WISH LIST
Select a Section
Show/Hide
AIR CLEANER
BATTERY
CAM CHAIN
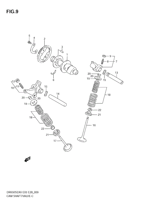
CAM SHAFT - VALVE
CANISTER (E33)
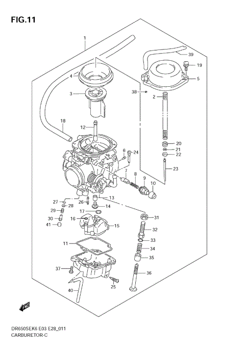
CARBURETOR
CLUTCH
CRANK BALANCER
CRANKCASE
CRANKCASE COVER
CRANKSHAFT
CYLINDER
CYLINDER HEAD
ELECTRICAL
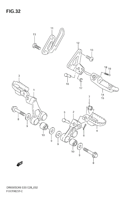
FOOTREST
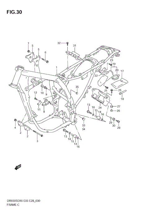
FRAME
FRAME COVER (MODEL K6/K7)
FRAME COVER (MODEL K8/K9)
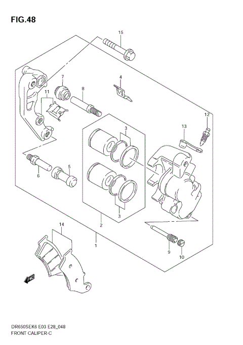
FRONT CALIPER
FRONT DAMPER
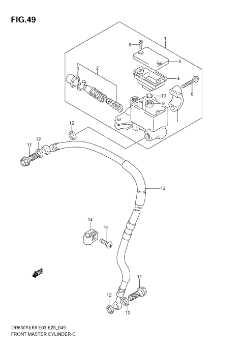
FRONT MASTER CYLINDER
FRONT WHEEL
FUEL COCK
FUEL TANK (MODEL K6/K7)
FUEL TANK (MODEL K8/K9)
GASKET SET
GEAR SHIFTING
HANDLE SWITCH
HANDLEBAR
HEADLAMP
HEADLAMP HOUSING (MODEL K6/K7/K8)
HEADLAMP HOUSING (MODEL K9)
LABEL
LEFT HANDLE LEVER
MAGNETO
MUFFLER
OIL COOLER
OIL PIPE
OIL PUMP
OPTIONAL
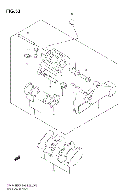
REAR CALIPER
REAR CUSHION LEVER
REAR FENDER
REAR GRIP
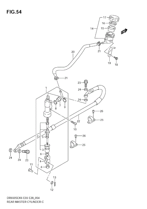
REAR MASTER CYLINDER
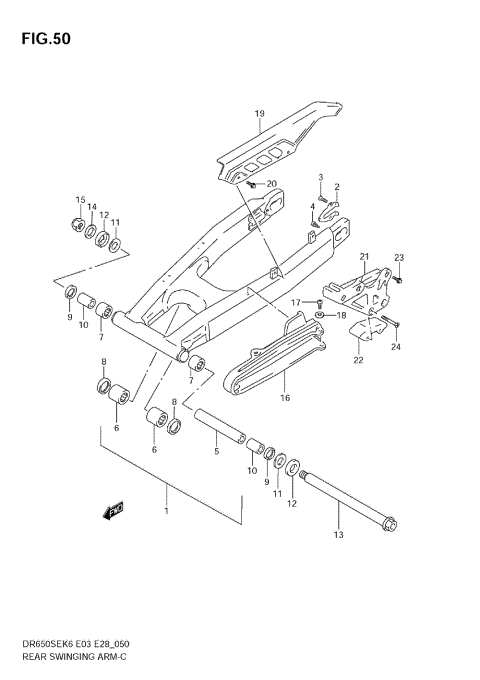
REAR SWINGING ARM
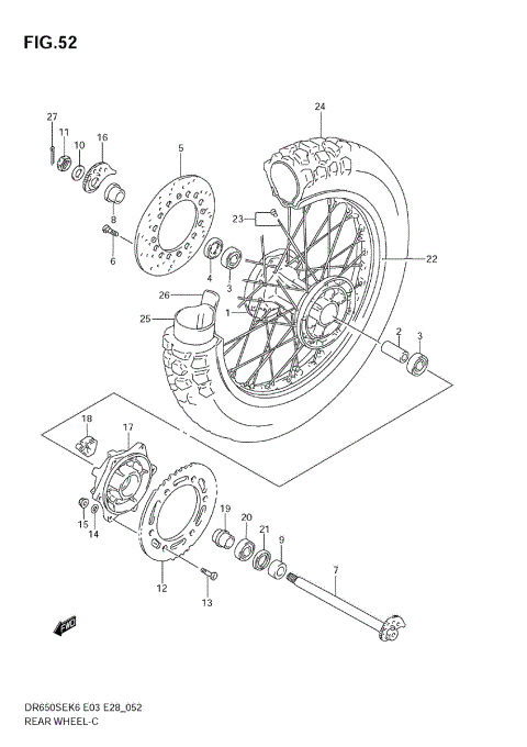
REAR WHEEL (MODEL K6/K7)
REAR WHEEL (MODEL K8/K9)
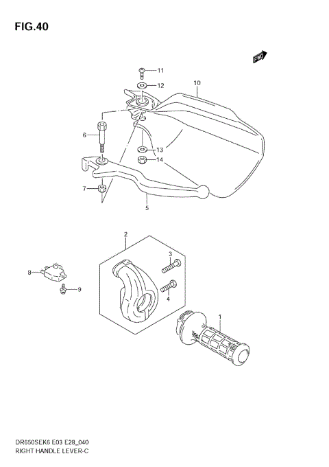
RIGHT HANDLE LEVER
SEAT
SPEEDOMETER
STAND - REAR BRAKE
STARTER CLUTCH
STARTING MOTOR
STEERING STEM
TAIL LAMP
TRANSMISSION
TURN SIGNAL LAMP
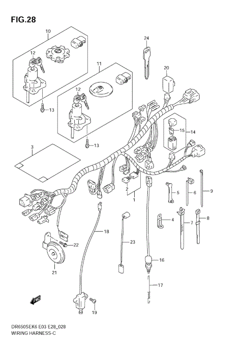
WIRING HARNESS
AIR CLEANER
BATTERY
CAM CHAIN
CAM SHAFT - VALVE
CANISTER (E33)
CARBURETOR
CLUTCH
CRANK BALANCER
CRANKCASE
CRANKCASE COVER
CRANKSHAFT
CYLINDER
CYLINDER HEAD
ELECTRICAL
FOOTREST
FRAME
FRAME COVER (MODEL K6/K7)
FRAME COVER (MODEL K8/K9)
FRONT CALIPER
FRONT DAMPER
FRONT MASTER CYLINDER
FRONT WHEEL
FUEL COCK
FUEL TANK (MODEL K6/K7)
FUEL TANK (MODEL K8/K9)
GASKET SET
GEAR SHIFTING
HANDLE SWITCH
HANDLEBAR
HEADLAMP
HEADLAMP HOUSING (MODEL K6/K7/K8)
HEADLAMP HOUSING (MODEL K9)
LABEL
LEFT HANDLE LEVER
MAGNETO
MUFFLER
OIL COOLER
OIL PIPE
OIL PUMP
OPTIONAL
REAR CALIPER
REAR CUSHION LEVER
REAR FENDER
REAR GRIP
REAR MASTER CYLINDER
REAR SWINGING ARM
REAR WHEEL (MODEL K6/K7)
REAR WHEEL (MODEL K8/K9)
RIGHT HANDLE LEVER
SEAT
SPEEDOMETER
STAND - REAR BRAKE
STARTER CLUTCH
STARTING MOTOR
STEERING STEM
TAIL LAMP
TRANSMISSION
TURN SIGNAL LAMP
WIRING HARNESS
VIEW WISH LIST