Polaris
Browse New Models
Shop In-Stock
Suzuki
Browse New Models
Shop In-Stock
Search Inventory
Exit Search
Search Inventory
7202 Lee Hwy
|
Radford, VA
24141
Toggle navigation
Home
Brands
Inventory
All Inventory In Stock
New Inventory In Stock
Polaris Off-Road Vehicles
New Polaris
New Suzuki
Used Inventory
Manufacturer Models
OEM Promotions
Value Your Trade-In
Request a Model
Secure Financing
Parts
Parts Department
Parts Finder
Shopping Cart
Service
Request Polaris Service
Service Department
Warranty & Recall Look-Up
Financing
About
Our Dealership
Employment
Reviews
Customer Survey
Newsletter Sign-Up
Events Calendar
Location & Hours
Contact
540-633-0004
Fiche | Parts Diagrams
2009 Suzuki Motorcycles
Home
›
Parts
›
Parts Finder
Search by :
Part / Desc
VIN
Please Select
Polaris
Suzuki
*Please enter at least 3 characters
SEARCH
Manufacturer
Suzuki
Motorcycles
2009
VZR1800,N,Z
VIEW WISH LIST
Select a Section
Show/Hide
AIR CLEANER
BATTERY
CAM CHAIN
CAMSHAFT - VALVE
CLUTCH
CRANK BALANCER
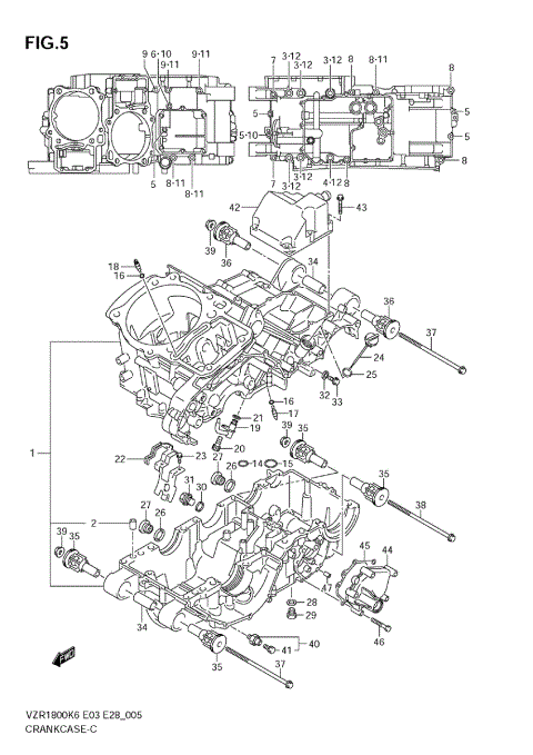
CRANKCASE
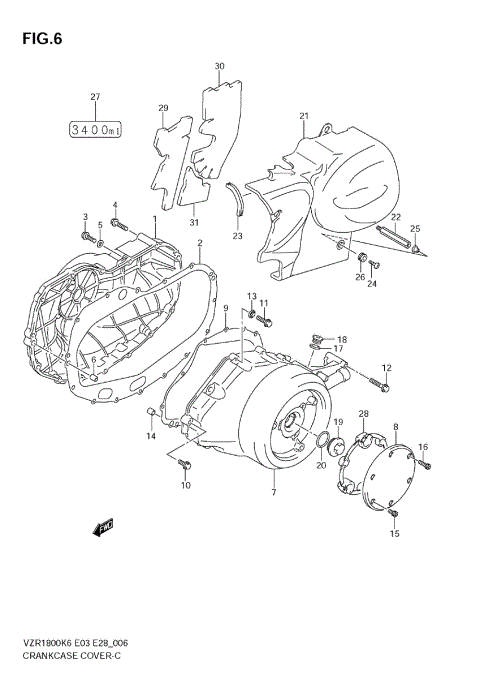
CRANKCASE COVER
CRANKSHAFT
CYLINDER
ELECTRICAL
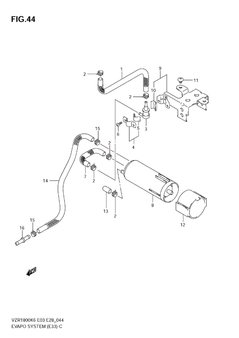
EVAPO SYSTEM (E33)
FOOTREST
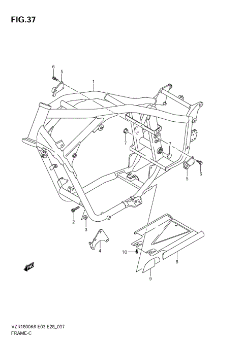
FRAME
FRAME BODY COVER
FRAME HANDLE GRIP (MODEL K6/K7,VZR1800NK8)
FRAME HANDLE GRIP (VZR1800K8/ZK8/K9/NK9/ZK9)
FRAME HEAD COVER (VZR1800K6/K7)
FRAME HEAD COVER (VZR1800K8/NK8)
FRAME HEAD COVER (VZR1800K9/NK9)
FRAME HEAD COVER (VZR1800ZK7/ZK8/ZK9)
FRONT BRAKE HOSE
FRONT CALIPER
FRONT CYLINDER HEAD
FRONT DAMPER (VZR1800K6/K7)
FRONT DAMPER (VZR1800ZK7/K8/NK8/ZK8/K9/NK9/ZK9)
FRONT FENDER (VZR1800K6/K7)
FRONT FENDER (VZR1800K8/NK8/K9/NK9)
FRONT FENDER (VZR1800ZK7/ZK8/ZK9)
FRONT MASTER CYLINDER
FRONT WHEEL
FUEL PUMP
FUEL TANK (VZR1800K6/K7)
FUEL TANK (VZR1800K8/NK8)
FUEL TANK (VZR1800K9/NK9)
FUEL TANK (VZR1800ZK7/ZK8/ZK9)
FUEL TANK UPPER COVER
GASKET SET
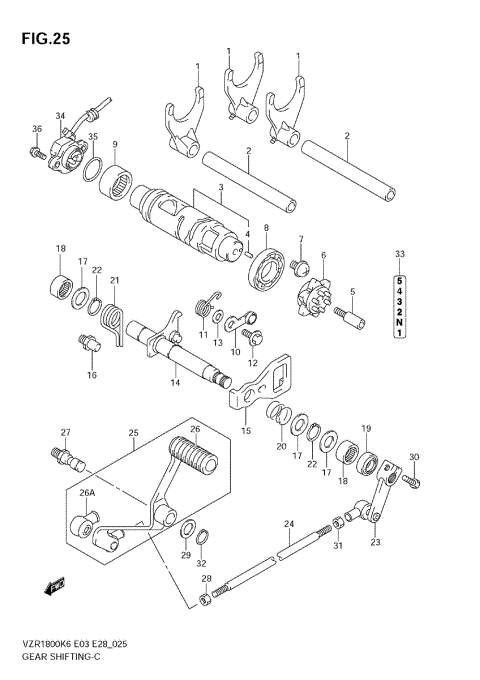
GEAR SHIFTING
HANDLE LEVER
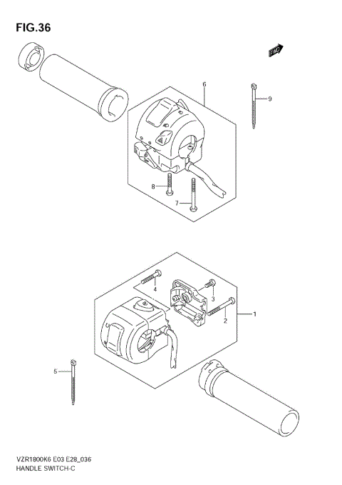
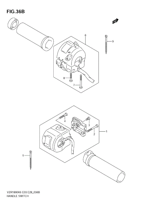
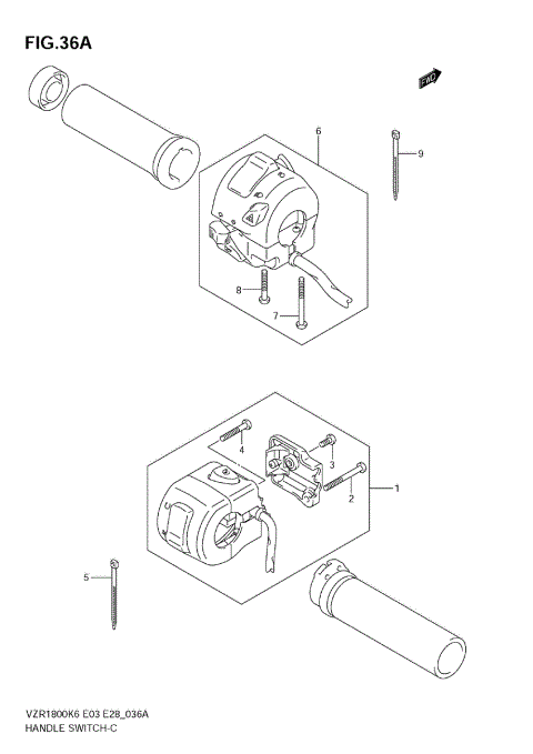
HANDLE SWITCH (VZR1800K6/K7/K8/K9,VZR1800ZK7/ZK8)
HANDLE SWITCH (VZR1800NK8/NK9)
HANDLE SWITCH (VZR1800ZK9)
HANDLEBAR (MODEL K6/K7/K8)
HANDLEBAR (MODEL K9)
HEADLAMP (VZR1800K6/K7/K8/K9,VZR1800ZK7/ZK8/ZK9)
HEADLAMP (VZR1800NK8/NK9)
HEADLAMP COVER (VZR1800K6/K7/K8/K9)
HEADLAMP COVER (VZR1800NK8/NK9)
HEADLAMP COVER (VZR1800ZK7/ZK8/ZK9)
HOLDER
LABEL
MAGNETO (MODEL K6/K7)
MAGNETO (MODEL K8/K9)
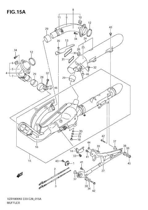
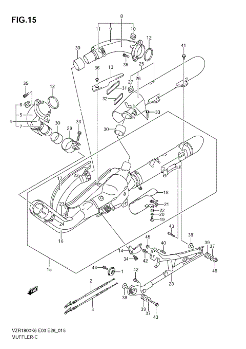
MUFFLER (MODEL K6/K7)
MUFFLER (MODEL K8/K9)
OIL COOLER
OIL PAN - OIL PUMP
OPTIONAL
PROPELLER SHAFT/FINAL DRIVE GEAR (MODEL K6/K7)
PROPELLER SHAFT/FINAL DRIVE GEAR (MODEL K8/K9)
RADIATOR
RADIATOR HOSE
REAR CALIPER
REAR COMBINATION LAMP (VZR1800K6/K7)
REAR COMBINATION LAMP (VZR1800K8/K9/NK8/NK9)
REAR COMBINATION LAMP (VZR1800ZK7/ZK8/ZK9)
REAR CUSHION LEVER
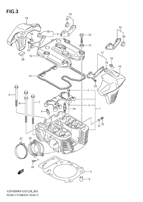
REAR CYLINDER HEAD
REAR FENDER (VZR1800K6/K7)
REAR FENDER (VZR1800K8/NK8)
REAR FENDER (VZR1800K9/NK9)
REAR FENDER (VZR1800ZK7/ZK8/ZK9)
REAR FENDER BRACE
REAR FENDER EXTENSION
REAR MASTER CYLINDER
REAR SWINGING ARM
REAR WHEEL (MODEL K6/K7)
REAR WHEEL (MODEL K8/K9)
SEAT (VZR1800/N)
SEAT (VZR1800Z)
SEAT TAIL BOX
SECOND AIR
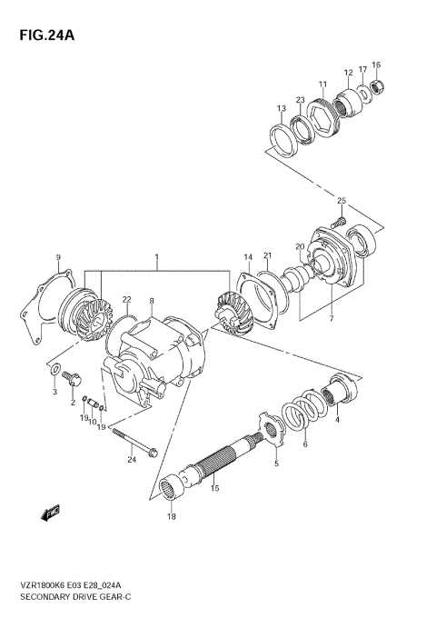
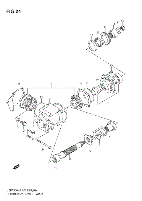
SECONDARY DRIVE GEAR (MODEL K6/K7)
SECONDARY DRIVE GEAR (MODEL K8/K9)
SIDE COVER (VZR1800K6/K7)
SIDE COVER (VZR1800K8/NK8)
SIDE COVER (VZR1800K9/NK9)
SIDE COVER (VZR1800ZK7/ZK8/ZK9)
SIDE REAR COVER
SPEEDOMETER (VZR1800K6/K7)
SPEEDOMETER (VZR1800K8/K9)
SPEEDOMETER (VZR1800NK6)
SPEEDOMETER (VZR1800NK8/NK9)
SPEEDOMETER (VZR1800ZK7)
SPEEDOMETER (VZR1800ZK8)
SPEEDOMETER (VZR1800ZK9)
STAND
STARTER CLUTCH
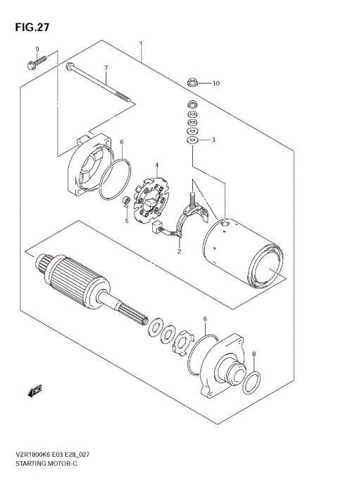
STARTING MOTOR
STEERING STEM
THROTTLE BODY
TRANSMISSION
TURNSIGNAL LAMP (VZR1800K6/K7)
TURNSIGNAL LAMP (VZR1800K8/K9/NK8/NK9)
TURNSIGNAL LAMP (VZR1800ZK7/ZK9)
TURNSIGNAL LAMP (VZR1800ZK8)
WATER PUMP
WIRING HARNESS (VZR1800K6/K7/K8/K9,VZR1800ZK7/ZK8/ZK9)
WIRING HARNESS (VZR1800NK8/NK9)
AIR CLEANER
BATTERY
CAM CHAIN
CAMSHAFT - VALVE
CLUTCH
CRANK BALANCER
CRANKCASE
CRANKCASE COVER
CRANKSHAFT
CYLINDER
ELECTRICAL
EVAPO SYSTEM (E33)
FOOTREST
FRAME
FRAME BODY COVER
FRAME HANDLE GRIP (MODEL K6/K7,VZR1800NK8)
FRAME HANDLE GRIP (VZR1800K8/ZK8/K9/NK9/ZK9)
FRAME HEAD COVER (VZR1800K6/K7)
FRAME HEAD COVER (VZR1800K8/NK8)
FRAME HEAD COVER (VZR1800K9/NK9)
FRAME HEAD COVER (VZR1800ZK7/ZK8/ZK9)
FRONT BRAKE HOSE
FRONT CALIPER
FRONT CYLINDER HEAD
FRONT DAMPER (VZR1800K6/K7)
FRONT DAMPER (VZR1800ZK7/K8/NK8/ZK8/K9/NK9/ZK9)
FRONT FENDER (VZR1800K6/K7)
FRONT FENDER (VZR1800K8/NK8/K9/NK9)
FRONT FENDER (VZR1800ZK7/ZK8/ZK9)
FRONT MASTER CYLINDER
FRONT WHEEL
FUEL PUMP
FUEL TANK (VZR1800K6/K7)
FUEL TANK (VZR1800K8/NK8)
FUEL TANK (VZR1800K9/NK9)
FUEL TANK (VZR1800ZK7/ZK8/ZK9)
FUEL TANK UPPER COVER
GASKET SET
GEAR SHIFTING
HANDLE LEVER
HANDLE SWITCH (VZR1800K6/K7/K8/K9,VZR1800ZK7/ZK8)
HANDLE SWITCH (VZR1800NK8/NK9)
HANDLE SWITCH (VZR1800ZK9)
HANDLEBAR (MODEL K6/K7/K8)
HANDLEBAR (MODEL K9)
HEADLAMP (VZR1800K6/K7/K8/K9,VZR1800ZK7/ZK8/ZK9)
HEADLAMP (VZR1800NK8/NK9)
HEADLAMP COVER (VZR1800K6/K7/K8/K9)
HEADLAMP COVER (VZR1800NK8/NK9)
HEADLAMP COVER (VZR1800ZK7/ZK8/ZK9)
HOLDER
LABEL
MAGNETO (MODEL K6/K7)
MAGNETO (MODEL K8/K9)
MUFFLER (MODEL K6/K7)
MUFFLER (MODEL K8/K9)
OIL COOLER
OIL PAN - OIL PUMP
OPTIONAL
PROPELLER SHAFT/FINAL DRIVE GEAR (MODEL K6/K7)
PROPELLER SHAFT/FINAL DRIVE GEAR (MODEL K8/K9)
RADIATOR
RADIATOR HOSE
REAR CALIPER
REAR COMBINATION LAMP (VZR1800K6/K7)
REAR COMBINATION LAMP (VZR1800K8/K9/NK8/NK9)
REAR COMBINATION LAMP (VZR1800ZK7/ZK8/ZK9)
REAR CUSHION LEVER
REAR CYLINDER HEAD
REAR FENDER (VZR1800K6/K7)
REAR FENDER (VZR1800K8/NK8)
REAR FENDER (VZR1800K9/NK9)
REAR FENDER (VZR1800ZK7/ZK8/ZK9)
REAR FENDER BRACE
REAR FENDER EXTENSION
REAR MASTER CYLINDER
REAR SWINGING ARM
REAR WHEEL (MODEL K6/K7)
REAR WHEEL (MODEL K8/K9)
SEAT (VZR1800/N)
SEAT (VZR1800Z)
SEAT TAIL BOX
SECOND AIR
SECONDARY DRIVE GEAR (MODEL K6/K7)
SECONDARY DRIVE GEAR (MODEL K8/K9)
SIDE COVER (VZR1800K6/K7)
SIDE COVER (VZR1800K8/NK8)
SIDE COVER (VZR1800K9/NK9)
SIDE COVER (VZR1800ZK7/ZK8/ZK9)
SIDE REAR COVER
SPEEDOMETER (VZR1800K6/K7)
SPEEDOMETER (VZR1800K8/K9)
SPEEDOMETER (VZR1800NK6)
SPEEDOMETER (VZR1800NK8/NK9)
SPEEDOMETER (VZR1800ZK7)
SPEEDOMETER (VZR1800ZK8)
SPEEDOMETER (VZR1800ZK9)
STAND
STARTER CLUTCH
STARTING MOTOR
STEERING STEM
THROTTLE BODY
TRANSMISSION
TURNSIGNAL LAMP (VZR1800K6/K7)
TURNSIGNAL LAMP (VZR1800K8/K9/NK8/NK9)
TURNSIGNAL LAMP (VZR1800ZK7/ZK9)
TURNSIGNAL LAMP (VZR1800ZK8)
WATER PUMP
WIRING HARNESS (VZR1800K6/K7/K8/K9,VZR1800ZK7/ZK8/ZK9)
WIRING HARNESS (VZR1800NK8/NK9)
VIEW WISH LIST