Polaris
Browse New Models
Shop In-Stock
Suzuki
Browse New Models
Shop In-Stock
Search Inventory
Exit Search
Search Inventory
7202 Lee Hwy
|
Radford, VA
24141
Toggle navigation
Home
Brands
Inventory
All Inventory In Stock
New Inventory In Stock
Polaris Off-Road Vehicles
New Polaris
New Suzuki
Used Inventory
Manufacturer Models
OEM Promotions
Value Your Trade-In
Request a Model
Secure Financing
Parts
Parts Department
Parts Finder
Shopping Cart
Service
Request Polaris Service
Service Department
Warranty & Recall Look-Up
Financing
About
Our Dealership
Employment
Reviews
Customer Survey
Newsletter Sign-Up
Events Calendar
Location & Hours
Contact
540-633-0004
Fiche | Parts Diagrams
2022 Suzuki Motorcycles
Home
›
Parts
›
Parts Finder
Search by :
Part / Desc
VIN
Please Select
Polaris
Suzuki
*Please enter at least 3 characters
SEARCH
Manufacturer
Suzuki
Motorcycles
2022
GSX,R600
VIEW WISH LIST
Select a Section
Show/Hide
2ND AIR
AIR CLEANER
AIR INTAKE PIPE (GSX-R600)
AIR INTAKE PIPE (GSX-R600Z)
BATTERY
CAM CHAIN
CAMSHAFT/VALVE
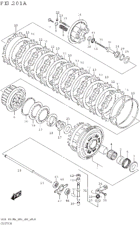
CLUTCH
COWLING BODY (GSX-R600)
COWLING BODY (GSX-R600Z)
CRANKCASE
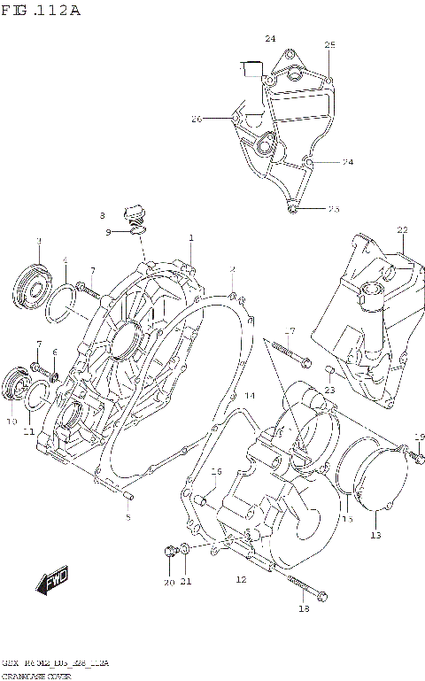
CRANKCASE COVER
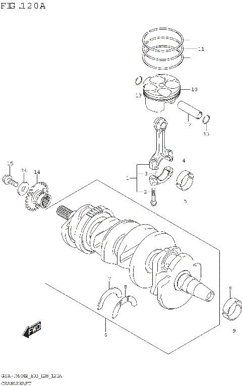
CRANKSHAFT
CYLINDER HEAD
CYLINDER HEAD COVER
ELECTRICAL (E33)
EVAP SYSTEM (E33)
FOOTREST
FRAME
FRAME COVER (GSX-R600)
FRAME COVER (GSX-R600Z)
FRONT BRAKE HOSE
FRONT CALIPER
FRONT FENDER (GSX-R600)
FRONT FENDER (GSX-R600Z)
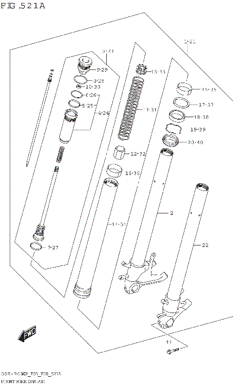
FRONT FORK DAMPER
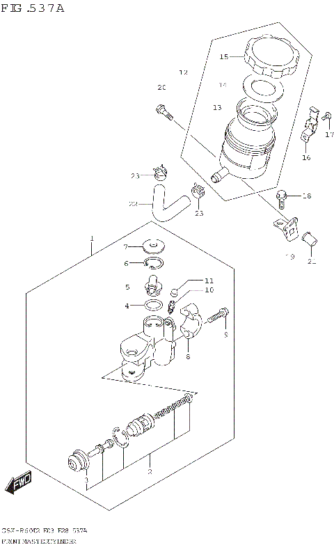
FRONT MASTER CYLINDER
FRONT WHEEL (GSX-R600)
FRONT WHEEL (GSX-R600Z)
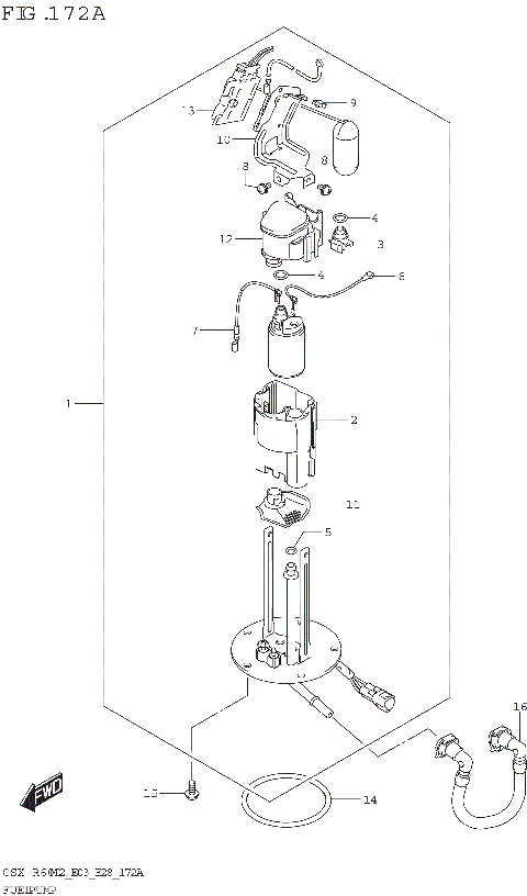
FUEL PUMP
FUEL TANK (GSX-R600:E33)
FUEL TANK (GSX-R600Z:E33)
FUEL TANK COVER (GSX-R600)
FUEL TANK COVER (GSX-R600Z)
GASKET SET
GEAR SHIFTING
GENERATOR
HANDLE LEVER
HANDLE SWITCH
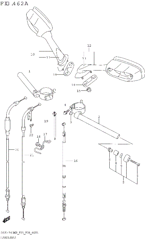
HANDLEBAR
HEADLAMP
INNER COWLING
LABEL (E03)
LABEL (E28)
LABEL (E33)
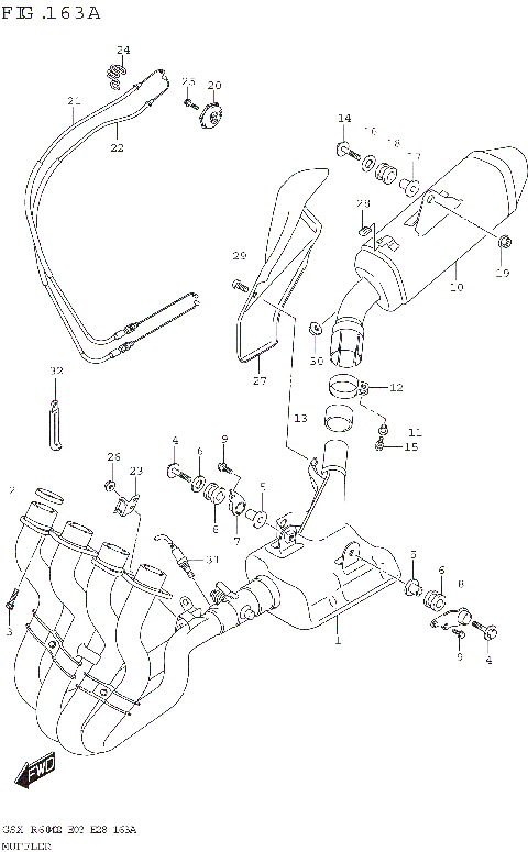
MUFFLER
OIL COOLER
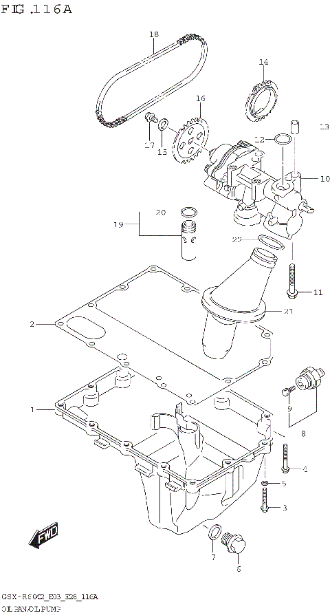
OIL PAN/OIL PUMP
RADIATOR
RADIATOR HOSE
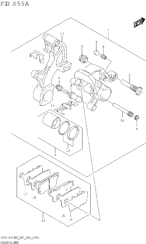
REAR CALIPER
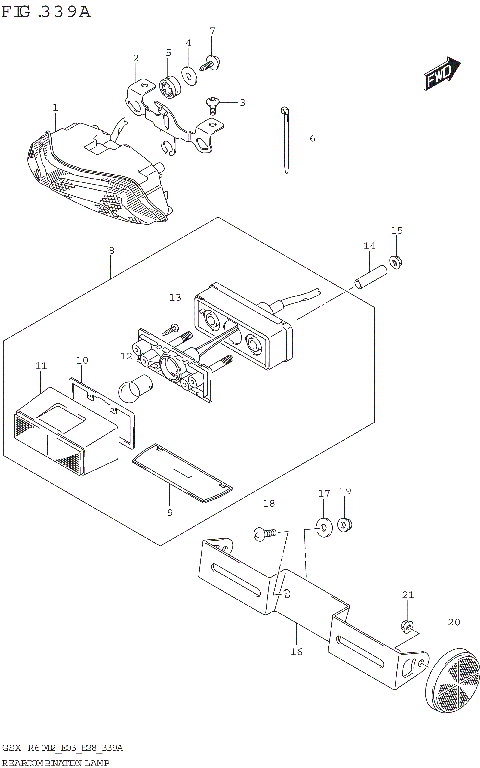
REAR COMBINATION LAMP
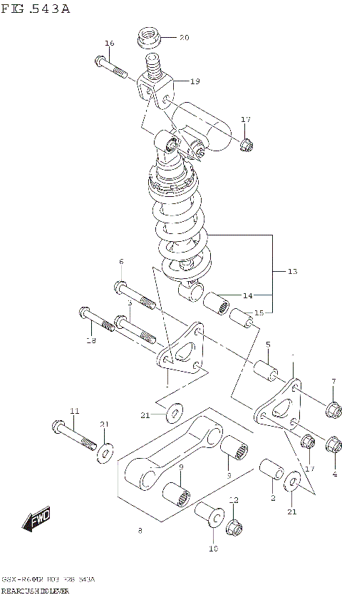
REAR CUSHION LEVER
REAR FENDER
REAR MASTER CYLINDER
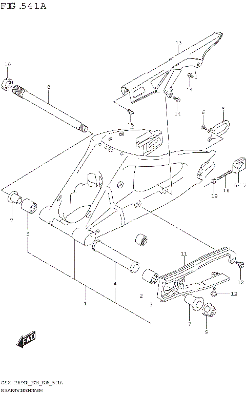
REAR SWINGINGARM
REAR WHEEL (GSX-R600)
REAR WHEEL (GSX-R600Z)
SEAT
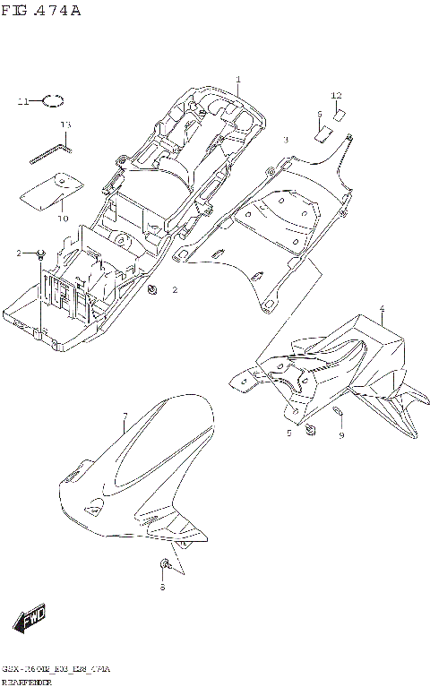
SEAT TAIL BOX (OPTIONAL)
SIDE COWLING (GSX-R600)
SIDE COWLING (GSX-R600Z)
SIGNAL GENERATOR
SPEEDOMETER (E28)
STAND
STARTER CLUTCH
STARTING MOTOR
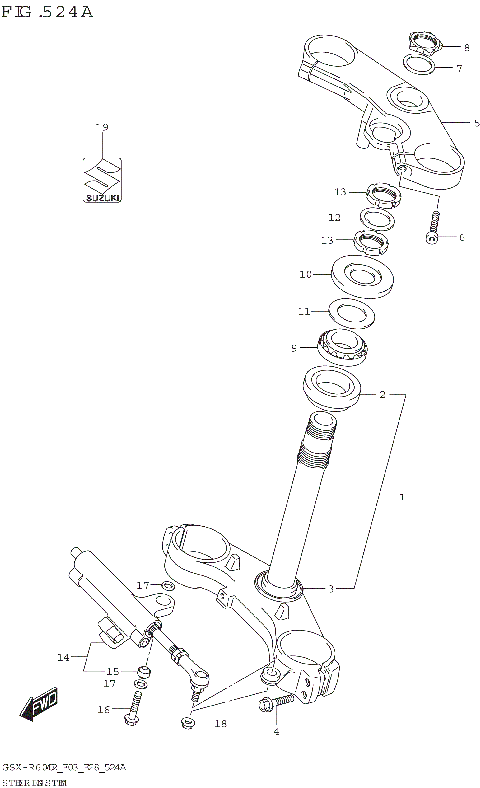
STEERING STEM
THROTTLE BODY (E33)
THROTTLE BODY HOSE/JOINT (E33)
TRANSMISSION
TURNSIGNAL LAMP
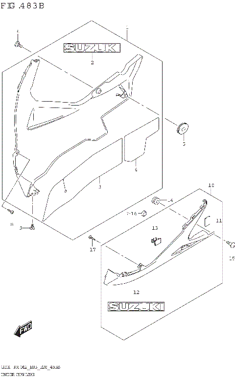
UNDER COWLING (GSX-R600)
UNDER COWLING (GSX-R600Z)
WATER PUMP
WIRING HARNESS (E33)
2ND AIR
AIR CLEANER
AIR INTAKE PIPE (GSX-R600)
AIR INTAKE PIPE (GSX-R600Z)
BATTERY
CAM CHAIN
CAMSHAFT/VALVE
CLUTCH
COWLING BODY (GSX-R600)
COWLING BODY (GSX-R600Z)
CRANKCASE
CRANKCASE COVER
CRANKSHAFT
CYLINDER HEAD
CYLINDER HEAD COVER
ELECTRICAL (E33)
EVAP SYSTEM (E33)
FOOTREST
FRAME
FRAME COVER (GSX-R600)
FRAME COVER (GSX-R600Z)
FRONT BRAKE HOSE
FRONT CALIPER
FRONT FENDER (GSX-R600)
FRONT FENDER (GSX-R600Z)
FRONT FORK DAMPER
FRONT MASTER CYLINDER
FRONT WHEEL (GSX-R600)
FRONT WHEEL (GSX-R600Z)
FUEL PUMP
FUEL TANK (GSX-R600:E33)
FUEL TANK (GSX-R600Z:E33)
FUEL TANK COVER (GSX-R600)
FUEL TANK COVER (GSX-R600Z)
GASKET SET
GEAR SHIFTING
GENERATOR
HANDLE LEVER
HANDLE SWITCH
HANDLEBAR
HEADLAMP
INNER COWLING
LABEL (E03)
LABEL (E28)
LABEL (E33)
MUFFLER
OIL COOLER
OIL PAN/OIL PUMP
RADIATOR
RADIATOR HOSE
REAR CALIPER
REAR COMBINATION LAMP
REAR CUSHION LEVER
REAR FENDER
REAR MASTER CYLINDER
REAR SWINGINGARM
REAR WHEEL (GSX-R600)
REAR WHEEL (GSX-R600Z)
SEAT
SEAT TAIL BOX (OPTIONAL)
SIDE COWLING (GSX-R600)
SIDE COWLING (GSX-R600Z)
SIGNAL GENERATOR
SPEEDOMETER (E28)
STAND
STARTER CLUTCH
STARTING MOTOR
STEERING STEM
THROTTLE BODY (E33)
THROTTLE BODY HOSE/JOINT (E33)
TRANSMISSION
TURNSIGNAL LAMP
UNDER COWLING (GSX-R600)
UNDER COWLING (GSX-R600Z)
WATER PUMP
WIRING HARNESS (E33)
VIEW WISH LIST